info
品牌社区
一家专注于汽车设计、汽车制造和管理信息化的专业网站
网站内容包含了汽车设计、汽车电子、发动机与驱动、整车装配、汽车零部件、质量控制、汽车塑化、汽车物流和管理与信息化等。几乎涵盖了汽车制造过程中的各个环节。造车网致力成为汽车设计及汽车制造业具有广泛影响力,内容全面的网络信息平台。
免责声明
联系我们
行业展会
首页
造车工艺
数字化制造
智能驾驶
新能源技术
机器人技术
网站导航
首页
造车工艺
数字化制造
智能驾驶
新能源技术
机器人技术
精彩视界
网络会议
深度观察
市场研究
高层访谈
资料下载
行业展会
新闻
产品
案例
视频
搜索
图尔克电池智造图景 | 利用成熟解决方案改进电池生产
2025年10月11日
未来几年,电池电芯的制造工艺和技术将进一步发展。相关变化将包括新的原材料、改良的混料和涂布工艺或新的辊压和卷绕工艺。然而...
图尔克
电池生产
恩智浦收购Kinara 利用创新NPU改进边缘AI性能
2025年02月17日
据外媒报道,近日,恩智浦半导体公司(NXP Semiconductors N.V.)宣布已签署最终协议,收购高性能、低功耗且可编程离散神经处理单...
恩智浦
Kinara
NPU
极氪与Mapbox合作 改进智能车辆驾乘体验
2025年01月07日
据外媒报道,高端电动汽车品牌极氪(Zeekr)宣布与地图与导航技术供应商Mapbox公司建立新合作。极氪将采用Mapbox灵活且强大的导航...
极氪
Mapbox
汽车冲压模具质量改进典型案例经验总结
2024年08月14日
随着汽车工业的发展,汽车已经成为人们日常生活中不可或缺的工具。由于汽车工业具有很强的产业关联度,因而被视为一个国家经济发...
冲压模具
图尔克数字化解决方案改进电池生产
2024年04月28日
图尔克技术支持各大电池制造商。自动化系统的数据有利于充分提高生产效率和可靠性并减少产品质量问题。 全球的电池生产正在迅...
图尔克
轮毂轴承锻件成形工艺分析与改进
2024年01月16日
轮毂轴承是汽车底盘关键性零件,起到支撑车身和转动的作用。现有工艺生产轮毂轴承法兰盘和外圈异形件,产品易出现充填不满等缺陷...
轮毂轴承
汽车底盘
造车工艺
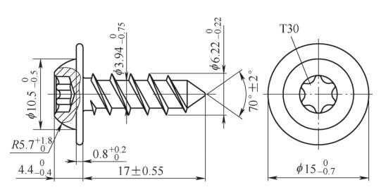
塑料用自攻螺钉芯部开裂工艺改进方案
2023年03月14日
基于 30 °牙型塑料用自攻螺钉螺纹成形后的芯部开裂缺陷,从牙板设计、调机尺寸、材料状态和毛坯线径 4 个方面,分别验证导致缺陷...
金属加工
接头零件工艺方案的优化与改进
2023年03月13日
针以某难加工接头零件为例,通过改变加工方法、装夹方式、整合工序以及自制工装夹具等,对零件初始加工方案进行优化与改进,创新...
金属加工
吊钩螺母工艺分析和改进
2023年01月31日
针对吊钩螺母梯形圆螺纹的加工难点进行工艺分析和改进,通过选用合理的加工方法和切削参数,采用直进法和左右切削进给相结合的分...
金属加工
揭秘百度黑科技:不只改进生活体验,还在加速科学研究
2023年01月06日
2023 年 1 月 6 日,百度举办 Create 大会 - 技术开放日媒体沟通会,三位百度核心技术负责人到场,轮番讲解百度最新的技术进展,...
智能网联