info
品牌社区
一家专注于汽车设计、汽车制造和管理信息化的专业网站
网站内容包含了汽车设计、汽车电子、发动机与驱动、整车装配、汽车零部件、质量控制、汽车塑化、汽车物流和管理与信息化等。几乎涵盖了汽车制造过程中的各个环节。造车网致力成为汽车设计及汽车制造业具有广泛影响力,内容全面的网络信息平台。
免责声明
联系我们
行业展会
首页
造车工艺
数字化制造
智能驾驶
新能源技术
机器人技术
网站导航
首页
造车工艺
数字化制造
智能驾驶
新能源技术
机器人技术
精彩视界
网络会议
深度观察
市场研究
高层访谈
资料下载
行业展会
新闻
产品
案例
视频
搜索
助力城市安全:采埃孚推出用于城市公交应用的新型防撞系统
2022年04月26日
据外媒报道,采埃孚(ZF)宣布将为城市公交车推出开创性的碰撞缓解系统(CMS)。该系统可提供主动制动,以避免与其他道路使用者(...
采埃孚
防撞系统
HAAS Alert种子轮融资500万美元 大力发展汽车防撞系统
2021年08月31日
据外媒报道,为公共安全与道路车队提供实时汽车碰撞预防信息的SaaS(软件即服务)公司HAAS Alert宣布,其已经在种子轮融资中筹集...
防撞系统
Mobileye防撞系统助力慕尼黑再保险 降低商用车队用户事故率
2017年09月18日
据外媒报道,慕尼黑再保险公司美国分公司(Munich Reinsurance America Inc.,Munich Re, US)将为商用车队等旗下用户提供Mobileye公司面向后市场推出的先进防撞系统(Advanced Collision Avoidance System)。新项目为该...
视觉传感器
毫米波雷达应用于汽车防撞系统
2011年07月15日
随着经济技术的发展,公路交通拥挤和交通事故已成为世界范围内的一个严重问题。为了保证运输畅通和交通安全,减少事故的发生,近年来,一些发达国家都大力着手研究“智能公路系统(ITS计划)”,在该系统中用毫米波雷达...
防撞系统
汽车防撞系统的研制与实现
2011年05月16日
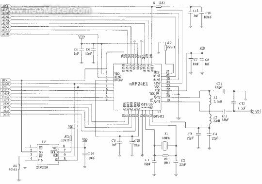
摘 要:介绍了现今流行的单片射频收发芯片nRF24E1与具有相关运算功能的特殊芯片TMC2023的性能特点;阐述了信号处理当中的相关运算理论,并将该理论与上述两个芯片为核心的电路相结合,用于汽车防撞系统当中,从而增强...
防撞系统
奔驰车距监控防撞系统(DTR)简介
2011年05月06日
随着汽车数量日益增多,车速愈来愈高,汽车交通事故也随之增多。汽车相撞、撞人、撞障碍物、翻车、冲出公路等事故时有发生。尤其高速公路上一旦出现撞车,就会造成多车相撞。分析撞车原因,大致有:驾驶不慎,能见度...
防撞系统
基于nRF24E1与TMC2023的汽车防撞系统
2009年03月23日
尽管公路条件在不断改进,但仍然避免不了公路上汽车拥挤的现状,再加上车速逐渐提高,恶性交通事故无时无刻不在发生,给人们和社...
nRF24E1
TMC2023的汽车防撞系统
毫米波雷与新型传感器的结合提升汽车安全性
2009年03月02日
来源: 为了保证运输畅通和交通安全,减少事故的发生,近年来,一些发达国家都大力着手研究“智能公路系统 (ITS 计划 ) ”,...
毫米波雷达
汽车防撞系统
汽车安全
奔驰车距监控防撞系统(DTR)简介
2009年02月22日
汽车相撞、撞人、撞障碍物、翻车、冲出公路等事故时有发生。随着汽车数量日益增多,车速愈来愈高,汽车交通事故也随之增多。尤其...
奔驰车距
监控防撞系统(DTR)
汽车防撞系统的研制与实现
2009年02月21日
尽管公路条件在不断改进,但仍然避免不了公路上汽车拥挤的现状,再加上车速逐渐提高,恶性交通事故无时无刻不在发生,给人们和社...
汽车防撞系统
研制
实现