2025年11月17日
深视智能2025年11月14日
配天机器人2025年11月14日
TE2025年11月14日
西门子2025年11月14日
蔡司工业
2025年11月13日
埃尔森
2025年11月10日
BBS
2025年11月07日
劳易测
2025年11月06日
和利时
2025年11月14日
威图
2025年11月14日
TE
2025年11月14日
KUKA
2025年11月14日
先导智能
2025年11月14日
TDK
一 引言
汽车利用燃油机和电力两种动力系统通过串联、并联或混联的形式进行组合工作。混合动力汽车通常是指同时由燃油发动机和电动机两种动力源驱动的汽车。这两种动力源在汽车不同的行驶状态下可分别工作,或同时工作,运用最优的控制方法达到最少的燃油消耗和尾气排放,实现省油和环保的目的。混合动力汽车由于具有两套动力系统,在控制难度提高的同时,也对数据传输及显示的实时性和可靠性提出更高的要求,如果能将不同动力系统的实时工作状态及时地反映给驾驶员,为驾驶员提供更为全面的行车咨询,对混合动力汽车而言,显得尤为重要。目前,我国普遍生产使用的是燃油汽车,相应地,我国目前普遍采用的步进电机式数字仪表也是针对燃油发动机相关参数而设计。如果在已有的步进电机式仪表面板中设计更加复杂的图象来显示混合动力汽车相关参数,特别是反映动力源工作状态的参数,将很难保证显示系统的清晰性、实时性和稳定性。针对这种现状,我们设计了一款以彩色液晶显示器为终端的基于TI公司TMS320F2812 DSP的混合动力汽车综合显示仪。
该显示
仪从CAN总线获取所需数据,由TMS320F2812 DSP处理数据并通过MAX232送往彩色液晶,通过软件编程实现现场数据与"预置画面"相结合的动态显示,并可随时根据需要,由软件实现显示界面的扩充。这一系列任务在硬件支持的情况下全部由软件编程实现。
1. CAN总线技术
目前存在多种汽车网络协议,控制局域网络(Control Area Network, CAN)属于现场总线范畴,用于汽车内部测量与执行部件之间的数据通信。它有效支持分布式控制及实时控制,并采用了带优先级的CSMA/CD协议对总线进行仲裁。因此,CAN总线允许多站点同时发送,这样,既保证了信息处理的实时性,又使得CAN总线网络可以构成多主结构的系统,保证了系统的可靠性。另外,CAN采用短帧结构,且每帧信息都有校验及其他检错措施,保证了数据的实时性、低传输出错率。
目前,汽车上主要有2条CAN 总线,即低速(L)与高速(H)CAN总线,低速线路工作在125kb/s以内,主要控制车身及舒适系统(中央门锁、车窗、天窗、收音机、座椅、安全气囊等);高速线路工作在125kb/s以上,主要控制动力系统(发动机、自动变速器、制动系统以及防侧滑系统、综合显示仪等),随着汽车技术的发展,总线的数量会越来越多,功能越来越强大。在汽车内部采用基于总线的网络结构,可达到信息共享、减少布线、降低成本以及提高总体可靠性的目的。在国外,尤其是欧洲,CAN网络已被广泛应用在汽车上,如奔驰、宝马、宝时捷等车。
2. TMS320F2812 DSP芯片
TMS320F2812是美国TI公司最新研制的2000系列数字信号处理器,是面向电机控制、工业自动化的第一款带片内Flash、工作频率达到150MHz的32位DSP。它采用经典哈佛总线结构,利用多总线在存储器、外围模块和CPU之间转换数据,这种多总线结构使得它可以在一个周期内并行完成取指令、读数据和写数据,同时它采用了指令流水线技术,保证信号处理的快速性和实时性。
二 混合动力汽车综合显示仪的设计
1. 设计思想
本设计利用车辆网络的优势,从CAN总线上采集混合动力汽车综合显示仪所需要的数据,如车速、转速、档位、电池荷电状态(SOC)、动力系统工作状态等,经DSP处理后进行各种实时控制和显示。区别于传统的仪表面板,本设计采用彩色液晶显示器作为显示终端动态显示所采集并用软件处理过的数据,可随时根据需要,由软件实现显示界面的修改和扩充。使用CAN总线方式使得整体系统工作更加及时、准确,提高了安全性、可靠性,更具有智能化和人性化。TMS320F2812芯片则保证了信号处理的快速性、实时性以及通信设计的方便。
2. 显示仪的硬件设计
该显示仪的硬件结构如图1所示,主要包括:电源复位电路、CAN通信接口电路、SCI通信与电平隔离转换电路、液晶接口电路等。F2812不断地从CAN总线上获取数据、对数据进行识别、计算处理后,由SCI经过MAX232送往YD711彩色智能液晶显示器,与"预置画面"组合显示。

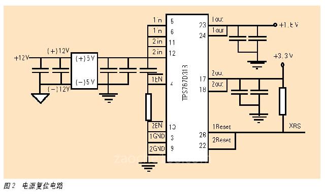
a. 电源复位电路
TMS320F2812芯片需要给CPU、Flash、ADC及I/Os提供双电源(1.8V和3.3V),在上电期间,应该为所有模块赋予正确的复位状态,器件的上电/掉电需要满足一定的时序要求。TI的专用电源芯片TPS767D318可通过5V稳压电源,提供满足DSP内核所需的1.8V电压和其外设所需的3.3V电压。在(PIN4)和(PIN10)之间串联RC充电电路目的在于使能1路输入输出和2路输入输出有一定时间的延迟,从而使3.3V和1.8V的电压输出满足F2812的上电时序要求,R、C的取值取决于时间常数。1Reset(PIN28)和2Reset(PIN22)内部连接的是"与"门漏级开路驱动器,因此PIN28和PIN22并联的结果是如果任何一端输出为低,都将引起F2812复位。采用DC/DC稳压电源以及严格隔离数字地和模拟地的设计,从硬件上保证了系统的抗干扰性。如图2所示。

b. CAN通信接口电路与数据电平转换电路
TMS320F2812中集成的CAN总线模块是增强型CAN(eCAN)模块,支持CAN技术规范2.0B,最高达1Mb/s速率,并带光电隔离;在基于TMS320F2812的混合动力汽车综合显示系统中,CAN总线接口是在集成的eCAN模块的基础上,外扩了TI公司的3.3V CAN总线收发器SN65HVD232。由于YD711型彩色液晶智能显示器采用标准RS-232C通信方式,系统采用MAX232芯片将DSP输出的典型3.3V电平数据转换为RS-232C电平。CAN通信接口电路与数据电平转换电路如图3所示。

c. YD711液晶接口电路
液晶的移位寄存器RXD(PIN14)通过RS-232C口的TXD(PIN3)与MAX232的T1out(PIN14)连接;液晶的缓冲区寄存器DTR(PIN15)通过RS-232C口的DSR(PIN6)与MAX232的T1in(PIN13)连接,在F2812给YD711发送数据之前,首先应判断移位寄存器是否为空,为空时再检查DTR信号,若DTR为高电平,表示缓冲区满,要等到DTR信号变为低电平后再发送数据。即DTR为低电平时发送数据,DTR为高时停止数据发送。接口电路如图3、4所示。

3. 软件设计
编程工具采用TI公司的DSP集成开发环境CCStudio V3.1,采用标准C语言作为程序设计语言,其编译效率和直接用汇编语言已经没有太大的差距。程序主要涉及到eCAN模块、PIE模块和SCI模块的运用:(1)在对各寄存器进行初始化以后,首先启动CAN模块接受数据;(2)判断数据的类型,例如:判断是转速、水温、还是其他,并将数据分别存放到相应的邮箱中;(3)判断数据是否正确,采用"差异判别标志"的方法来识别数据属于本身的正常跃变、还是由于干扰引起的突变,从软件上保证了系统抗干扰的能力。例如:当此次所接收的数据与上次接收的数据相比,存在较大差异时,软件暂时只保留数据而不将其送往液晶显示,并打开一个"差异判别标志",并将所保留的数据再与下一帧数据进行比较,直到相邻几个数据不存在较大差异时,才认为是正确的数据,这时清除"差异判别标志"并由SCI将数据送往液晶显示。
PIE模块用以实现驾驶员按键选择画面部分的功能。当有按键触发信号产生,主程序跳转至中断服务子程序ISR中,判断选择的是哪幅画面并将其显示,中断子程序返回至主程序。
4. 显示界面设计及参数范围
本设计选用了友利华(河南)高科技开发有限公司的YD711彩色液晶智能显示器,引入了"预置画面"的概念:所有的显示画面都被分为固定部分和变化部分。对于固定部分,可以预先在微机上进行编制,然后将其作为"预置画面"送入机内(闪存)中,本系统一共绘制了3幅预置画面:(1)考虑到有些驾驶员习惯于传统的仪表版面,设计了指针式的画面;(2)在动力传输示意图这个画面里,系统将其中的小箭头作为变化部分,通过程序对小箭头进行连续填充,达到动态跑动的效果,从而非常直观地反映出了混合动力汽车动力系统的工作状态,如图5所示;(3)考虑到驾驶员不同习惯的需求,设计了纯粹以数值方式显示的画面,如图6所示。系统通过软件实现与现场实时数据组合显示,驾驶员可通过按键方便地选择画面。

根据混合动力汽车的特性,综合显示仪所显参数及其范围设定为:车速(0~180km/h)、转速(0~6500r/min)、档位(停车档-P、倒车档-R、空档-N、前进档-D、行车档-S、低速档-L)、电池荷电状态(SOC 0~100%)、电流(0~200A)、电压(额定电压288V)、水温(0~120℃)、燃油(0~100L)、里程(0~30000km),动力系统工作状态以及动力传输示意图。其中的动力传输示意图能动态直观地反映发动机和电动机两套动力系统的当前工作状态。
三 试验结果
本综合显示仪设计了三幅画面,如画面1、2、3所示。驾驶员可通过按键方便地切换显示画面。试验表明,该综合显示仪能按设计要求正常稳定地显示汽车运行时的相关参数。当动力源以及动力传递方向发生改变时,动力传输示意图里的箭头运动方向也跟着改变,从而可非常直观明确地显示汽车动力系统的工作状态。
