info
品牌社区
一家专注于汽车设计、汽车制造和管理信息化的专业网站
网站内容包含了汽车设计、汽车电子、发动机与驱动、整车装配、汽车零部件、质量控制、汽车塑化、汽车物流和管理与信息化等。几乎涵盖了汽车制造过程中的各个环节。造车网致力成为汽车设计及汽车制造业具有广泛影响力,内容全面的网络信息平台。
免责声明
联系我们
行业展会
首页
造车工艺
数字化制造
智能驾驶
新能源技术
机器人技术
网站导航
首页
造车工艺
数字化制造
智能驾驶
新能源技术
机器人技术
精彩视界
网络会议
深度观察
市场研究
高层访谈
资料下载
行业展会
新闻
产品
案例
视频
搜索
异形零件手推式砂带打磨夹具设计
2022年10月21日
针对异形零件的结构和表面质量要求,设计了一种手推式砂带打磨进料夹具。工件放置在夹具的动夹持块和定夹持块之间,定位夹紧后沿...
金属加工
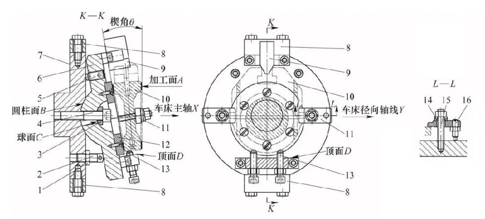
可调角度的楔式闸板车削夹具设计
2022年05月20日
可调角度的楔式闸板车削夹具为成组夹具,运用圆柱面定位和受力的特点,通过组合和调节楔角能适应多品种,不同口径、不同磅级和不...
夹具
多工位快装夹具设计
2022年02月21日
该文通过具体实例介绍了一种多工位快装夹具,该夹具能同时装夹多件零件且能够实现快速装夹定位,不仅提高了加工效率,同时大大减...
金属加工
汽车固定盘的四轴加工中心夹具设计
2020年06月24日
汽车零部件因其种类多、结构复杂、制造难度大、批量生产任务重等因素,因此决定了零部件在制造过程中对工装夹具的高要求。固定盘是汽车传动系统最重要的零部件之一,其加工精度将直接影响传动系统的品质与性能。 ...
汽车固定盘
铣削多个零件加工中心专用夹具设计
2018年03月05日
1、加工零件的确定 为研究铣削多个零件加工中心专用夹具,本文选取如图 1 所示加工零件。 图 1 零件加工图 如图 1 所示...
铣削
加工中心
后厢门焊接夹具设计的主要内容
2014年01月16日
1.根据后厢门的工艺过程确定焊接夹具的工艺方案,进而确定夹具结构。 2.设计满足夹具结构和工艺方案的气动原理图。 3.根据国产化冲压件调试出能生产合格产品的焊接夹具。 首先,根据产品结构,在气缸1推出时...
后厢门
焊接夹具
设计
保证车身焊装夹具设计的基础条件
2014年01月16日
摘要:通过对汽车车身焊接夹具设计的一般规律进行探讨,提出了在焊接夹具设计中所应该遵循的基础条件。在现生产中,焊接夹具的设计充满了丰富的特殊性,因此,具体问题须具体对待。 汽车车身焊接夹具的设计是一门经...
焊接夹具
设计
经验性
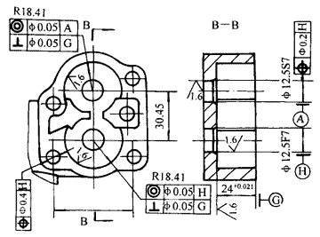
齿轮泵壳体孔的加工方法及夹具设计
2009年08月13日
齿轮泵壳体上有两个孔要求的加工精度高。在中、小批量生产时,一般都使用通用机床和专用工装来加工,这种加工方法很难达到精度要...
齿轮
泵壳体孔
加工方法
车身焊接夹具设计制造技术要求(2)
2009年06月04日
2.6 夹具的定位元件、 L 座等设计应保证标准化、规格化,以提高焊装生产线的可维护性。 2.7 定位支撑面作为标准件进行设计,所有定位面必须与固定气缸的支撑板分体设计,为了保证定位支撑面使用寿命要求,每个定位...
车身
焊接夹具设计
车身焊接夹具设计制造技术要求
2009年06月04日
无法显示 XML 页。 使用 XSL 样式表无法查看 XML 输入。请更正错误然后单击 刷新 按钮,或以后重试。 应有一个字符串文字, 但找不到左引号。处理资源 '/cms/editor/ <P class=MsoNormal style="MARGIN: 0cm...
车身
焊接夹具设计