2025年11月14日
配天机器人2025年11月14日
TE2025年11月14日
西门子2025年11月14日
新时达2025年11月14日
蔡司工业
2025年11月13日
埃尔森
2025年11月10日
BBS
2025年11月07日
劳易测
2025年11月06日
和利时
2025年11月14日
威图
2025年11月14日
TE
2025年11月14日
KUKA
2025年11月14日
先导智能
2025年11月14日
TDK
文章来源:国际汽车电子
随着经济水平的提高,汽车正逐渐成为人们的日常交通工具。然而,人们随身携带的电子产品,比如手机,却不能使用汽车上的电源。因此,开发一款经济实用的车载逆变器就成为一种需求。
我们采用集成脉宽调制芯片SG3525A为主控芯片,以CD4020B计数器及与非门电路构成分频分相电路并配以保护电路,实现了逆变器的脉宽调制。其在逆变电源工作时的持续输出功率为100W,并具有输出过流保护及输入欠压保护等功能,可实现电源逆变、电压稳定、欠压保护及过流保护等功能。
系统基本原理
本逆变器输入端为汽车蓄电池(+12V,4.5Ah),输出端为工频方波电压(50Hz,220V)。其系统主电路和控制电路框图如图1所示,采用了典型的二级变换,即DC/DC变换和DC/AC逆变。12V直流电压通过推挽式变换逆变为高频方波,经高频升压变压器升压,再整流滤波得到一个稳定的约320V直流电压;然后再由桥式变换以方波逆变的方式,将稳定的直流电压逆变成有效值稍大于220V的方波电压,以驱动负载。为保证系统的可靠运行,分别采集了DC高压侧电压信号、电流信号及蓄电池电压信号,送入SG3525A,通过调整驱动脉冲的占空比或关断脉冲来实现电压调节、过流保护及欠压保护等功能。

图1 系统主电路和控制电路框图
主要技术参数
输入电压:DC 12V;
输出电压:AC 220V±5%,50Hz±2%;
额定功率:100W;
保护功能:输入直流极性接反保护,输入欠压保护,输出过流保护。
电路设计
1 主控芯片SG3525A
SG3525A是ST公司生产的脉冲宽度调制器控制集成电路,具有集成基准电压,振荡器同步,软启动时间控制,输入欠电压锁定等功能。SG3525A的引脚如图2所示。

图2 SG3525A引脚分布
振荡频率的确定:振荡频率由三个外部元件RT、CT和RD设置,分别接在6、5、7引脚上。振荡频率为fOSC=1/CT(0.7RT +3RD),其中,0.7RTCT为定时电容充电时间,3RDCT为定时电容放电时间。为了使分频分相电路取得50Hz振荡频率,本设计设定振荡频率为 51.2kHz,取CT=2000pF, RT=10kΩ,RD=922Ω。
输出脉宽的调整:PWM脉冲宽度由引脚9和引脚8中电平较低的一端控制。芯片内部的误差放大器U1将电压反馈信号与基准电压信号偏差放大后送入比较器U2的反向输入端,比较器正向输入端的输入则来自电容器CT上的锯齿波,两者做比较后输出方波脉冲来控制SG3525A内部输出功放管的占空比(见图3)。本设计中将8引脚经电容接地,9引脚接DC/DC高压直流电压的反馈电压,由此调整输出直流电压的稳定。图3中,U1为SG3525A中的误差放大器,1、2、9分别为芯片管脚,R1~R7、C1、C2均为外接电阻电容。SG3525A的16引脚输出5V参考电压。电阻R3、R4及U1构成反比例运算器,R4/R3为其静态放大倍数,其值越大控制精度越高。但放大倍数太大将引起振荡,因此引入C1和R5使误差放大器成为不完全比例积分控制器,此时静态误差放大倍数不变,动态误差放大倍数减小,既不影响控制精度,又避免过冲引起振荡。

图3 输出直流高压调节原理图
脉冲的关断:当10引脚加上高电平时,实现对输出脉冲的封锁。本设计使用该项功能实现输出过流过压、输入欠压的保护。
2 分频分相电路
由14级串行二进制计数/分配器CD4020B构成分频电路,分频信号来自SG3525A的振荡器输出端引脚4。图4中的A、B、C分别代表振荡器脉冲经8、9、10级分频后的波形,其频率分别为fA=fOSC/28, fB=fOSC/29, fC=fOSC/210。分相电路由单片两输入端四与非门CD4011BC及外围器件组成,将信号ABC逻辑组合成逆变桥所需要的驱动脉冲(A+B)C与(A+B)C信号。该驱动信号具有共同死区,信号频率约为50Hz。

图4 分频分相波形图
3 保护电路
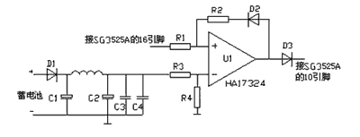
① 输入欠压保护
如图5所示,D1为蓄电池极性反接保护。SG3525A的引脚16输出参考电压5V,取R3=R4=10kΩ。在正常情况下,U1的反相输入端电压大于正向输入端电压,U1输出低电平,二极管D1、D2截止。当蓄电池电压低于10V时,比较器U1开始工作,输出由低电平变为高电平,D2、D3导通,并把同相输入端电位提升为高电平,使得U1一直稳定输出高电平,向SG3525A的引脚10输出关断信号。

图5 输入欠压保护电路
② 输出电流过载保护
如图6所示,运放U2及外围电阻构成反比例放大器,运放U3及外围电路构成比较器。图1中的R3为取样电阻,取2.2Ω,2W。当负载电流增大时,该电阻的压降△U增大。

图6 输出电流过载保护电路
运放U3正向输入端输入电压为: U+=(1+R2/R1)×(R3/R4)×△U
合理的调整R1、R2、R3、R4的取值,使得当负载电流超过1.5A后,U3的正向输入端电位高于反向输入端,输出高电位,二极管D2、D3导通,并把同相输入端电位提升为高电平,使得U1一直稳定输出高电平,向SG3525A的10引脚输出关断信号。
散热设计
为了进一步减小体积,减轻重量,采取了利用外壳(机壳)散热致冷办法,既解决了散热,又使整机体积变小,重量减轻。
逆变器试验输出波形
DC/DC变换输出电压稳定在320V,逆变桥开关频率为50Hz,接500Ω电阻负载。实验的电路波形如图7所示。

图7 试验电路输出波形
结语
本文设计的车载逆变电源电路主要采用集成化芯片,使得电路结构简单、性能稳定、成本较低。经实际应用证明,该逆变电源工作稳定可靠,能够持续输出功率100W。