2025年11月14日
配天机器人2025年11月14日
TE2025年11月14日
西门子2025年11月14日
新时达2025年11月14日
蔡司工业
2025年11月13日
埃尔森
2025年11月10日
BBS
2025年11月07日
劳易测
2025年11月06日
和利时
2025年11月14日
威图
2025年11月14日
TE
2025年11月14日
KUKA
2025年11月14日
先导智能
2025年11月14日
TDK
1 引言
杭氧产氧气透平压缩机是利用A、B双电动油泵为整套氧透系统供油,没有机械主油泵,两台电动油泵一台工作,一台备用,两台油泵工作在以往的控制中是由在机旁电气控制柜内设置一套小型PLC逻辑控制器实现逻辑控制。由于氧透许多参数参与联锁油泵的工作,从设备运行安全、管理等因素考虑,取消了PLC逻辑控制器,用其为空分(制氧机组)配套的DCS系统完成控制方案,DCS控制系统与小型PLC比较,组态具有更强大的功能,实现电仪合一,达到了较好的效果。下面以浙江中控公司DCS系统组态软件AdvanTrolPro(V2.5)为例,介绍实现氧透双油泵自动控制为目的的组态思路和方法,与同行作一交流。
2 控制要求
2.1 主机厂的控制要求
针对氧透油泵控制主机厂设置了机旁柜两套启停油泵按钮开关,对DCS控制提出3项控制要求:油泵允许启动、启动备用油泵、联锁停油泵。下面对此事项控制要求作陈述。
2.2 实际需达到的控制要求
在实际生产中,油泵的三种控制方式其实还包括更多的需求,具体有:
(1) 启动油泵
只有在密封气PIAS3316≥1.5Kpa时,按启动(机旁柜或DCS)按钮,油泵才能正常启动;
(2) 启动备用油泵
启动备用油泵有两种方式,其中一种方式为油泵正常时,当需对某台油泵检修或定期倒换运行时,手动启动备用油泵,当油压PIAS3404≥PIAS3404SD值时,两油泵并行X秒,自动(或手动)停需检修的油泵;另一种方式为油泵压力PIAS3404≤0.12Mpa启动备用油泵,当油压PIAS3404≥PIAS3404SD值时,两油泵并行X秒,自动停先运行的油泵(如果两台油泵同时运行,油压将超高,油将从高位油箱喷出,同时对设备的安全运行造成影响),两台油泵实现互为备用;
(3) 停油泵
停油泵分为两种方式,其中一种方式为氧透没有运行时,按手动停(机旁柜或DCS)按钮,手动停油泵;另一种方式为氧透正常运行时,PIAS3316≤0.5kPa且氧透停止并延时20s,或产生喷氮联锁PN两条件之一成立,联锁停两台油泵。
3 DCS系统组态设计
3.1 组态软件简介
浙江中控公司DCS系统Advan- TrolPro(V2.5)组态软件结构方式与其它DCS、PLC控制系统均类似,从系统调试的方便性、可视性考虑,采用了LD语言编制了氧透双油泵自动控制方案。
3.2 控制策略的实现
两台油泵控制方式类似,下面以先启动A油泵说明组态设计思路、油泵控制工作的原理,附表为组态设计中应用I/O测点及控制参数、内部变量等。
附表 变量表

(1) 手动启动/停油泵
图1为A油泵启动控制原理图,当密封气压力PIAS 3316≥1.5kPa时,手动按机旁HSH1(为常开)或DCS上的软开关HSH1-2,HSH-OP3401得电自锁,A油泵运行,AdvanTrolPro(V2.5)组态软件与浙大中控JX-300XDCS软件不同,只有普通按钮,无时间恢复按钮,因此利用TP定时器功能,TP定时器输入为ON时,输出Q仅闭合设定周期(PT设定的时间),其它时间为OFF,使其具有了时间恢复按钮功能。

图1 A油泵启动控制原理图
(2) 手动开停油泵
设置了两个自定义功能块,其中功能块YVCON为取消联锁手动功能块,当QC=ON且VCON=ON时,输出YVOUT=ON,开油泵;当QC=ON且VCON=OFF时,输出YVOUT=OFF,停油泵;正常生产中,将QC置为OFF,投入联锁,VCON的状态不影响输出YVOUT的状态。两个自定义按钮均设置为特权,可以方便在任何状态时,实施对油泵的控制。
另一个功能块为手动停油泵的功能块,机旁停按钮为常闭,只有氧透没运行时,手动停油泵才有作用,J2吸合,A油泵停(B油泵为J3吸合,停泵)。功能块的编制用ST语言编制(程序段略)。
(3) 自动停油泵
图2为自动停油泵控制控制原理图,氧透停止运行且PIAS3316≤1.5kPa或喷氮PN2两条件任一成立,J1吸合,联锁停两台油泵。

图2 自动停油泵控制原理图
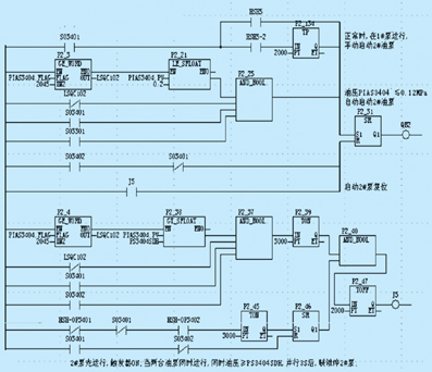
(4) 起动备用油泵
油压正常时,手动启动备用泵,联锁停先启动的泵。在正常生产时,如果A泵出现漏油或设备定期倒换运行的需要,往往需要在油压正常时,不停主机,开另一油泵工作,图3为自动启停备用油泵B工作原理图,当手动按HSH5(或HSH5-2)时,QB闭合,HSH-OP3402闭合自锁,B泵运行,B泵启动控制原理图与A泵类似。

图3 自动启停备用油泵B工作原理图
由于A泵先启动运行并且B泵没有运行,P2--97SR触发器输出Q1=ON;这样当两台油泵同时工作,工作油压将上升到PS3404设定值,同时并行3s,继而使J4闭合,J4闭合后,使HSH-OP3401=OFF,A泵停止工作,A泵停止工作后,其运行指示SO3401 =OFF,这时B泵运行指示SO3402=ON,使P2-31SR触发器复位,QB2断开,启动B油泵控制中继复位,实现了油压正常时,手动启动备用泵,联锁停先启动的泵的功能。
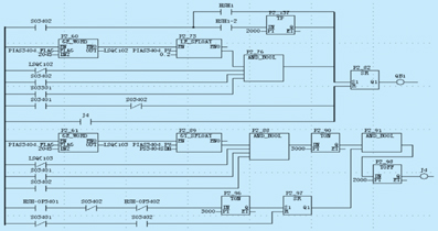
(5) 油压低时,备用泵启动后,联锁停先启动的泵
图4为自动启停备用油泵A工作原理图,从图3及图4可以看到,当一台油泵运行时,如果主机没有工作,即使油压低,备用油泵都不会自动启动,只有在主机运行,油压低时才会发生自动启停油泵的现象。

图4 自动启停备用油泵A工作原理图
从图4可以看到,主机(氧透)在运行(SO3301=ON),虽然A泵在运行(SO3401=ON),油压PIAS3404≤0.12Mpa,这时QB2中继吸合,B油泵自动起动,A、B两油泵同时运行,这时QB1、QB2两个中继将置为ON(图4)。
由于是A泵先运行,同3.2(4)工作原理J4中继将得电,J4得电有两个作用,一是使HSH3401失电,停A泵;二是使P2-82SR触发器复位(两台油泵同时工作,油压上升,P2-31SR触发器的置位端将为OFF),使其输出Q1=OFF,QB1失电,复位。
A泵先运行,而后两台泵同时运行,P2-46SR触发器的置位端S始终为OFF,输出端Q1=OFF,故在A、B泵同时工作,油压低的状态下,J5不会吸合,B油泵亦不会联锁停,这样就实现了油压低时,备用泵启动后,联锁停先启动的泵的功能。
4 结束语
应用AdvanTrolPro(V2.5)组态软件实现氧透双油泵实现自动控制的组态思路,较全面地实现了主机厂的控制要求,满足了生产工艺的需求。