2025年11月14日
配天机器人2025年11月14日
TE2025年11月14日
西门子2025年11月14日
新时达2025年11月14日
蔡司工业
2025年11月13日
埃尔森
2025年11月10日
BBS
2025年11月07日
劳易测
2025年11月06日
和利时
2025年11月14日
威图
2025年11月14日
TE
2025年11月14日
KUKA
2025年11月14日
先导智能
2025年11月14日
TDK
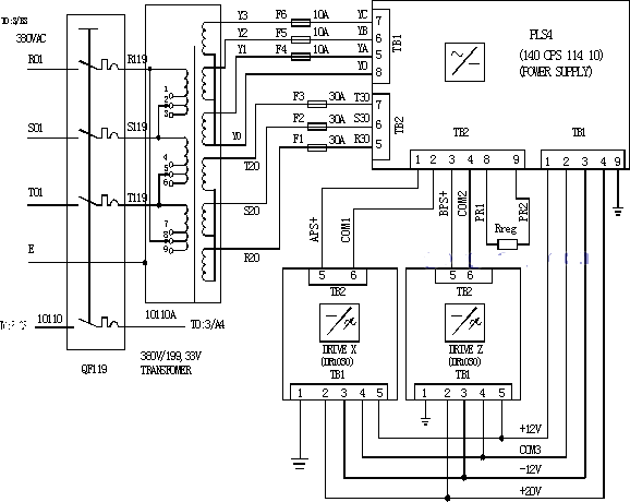
各部分功能为:1、电源模块提供380V动力电和12V控制电压。
2、PLC控制位控模块和接受I/O模块信号。
3、编码器反馈速度控制变量等到位控模块。
4、MSC101位控模块(可编程)检测位置、速度等变量,送PLC。
该伺服电机多轴运动控制系统稳定性和精确度还可以,但使用元器件较多、结构复杂,相应的故障率较大、维护比较困难。
其伺服驱动装置接线原理图如下图所示:

由该原理图可以看出其元件众多、电压等级多样繁复。而且该系统找寻电机原点方式繁杂,系统必需要一个原点OFFSET偏值,此原点偏值随每台电机(同型号)不同而不同,(每台交流伺服电机都有一个偏角值,启动时,必须在此偏差角范围内才能稳定停止,随后电机以此为零位置可任意正反转。)。在自动寻得原点后,可使电机正常运转,但是在PLC控制模块断电后,再重新启动时,程序仍将运行位置控制模块里原先设定的角度偏值即位控参数,运行原先设定的值会造成电机原点OFFSET不正确,故要在每次更换交流伺服电机时找到该电机的原点偏值并输入到位置控制模块程序里进行保存。否则,会引起电机失速(即飞车),造成电机及其他设备损坏。
鉴于此类不稳定因素,根据生产工艺要求,我们重新选用了施耐德公司的BPH系列无刷电机中的BPH 1902N和MHDA系列伺服驱动装置中的1056N相组合的运动控制系统。新运动控制系统产品将速度环和电流环集成在驱动器上,减少了元件,提高了其集成度,使设备线路简洁,降低了故障率。我车间在2003年2月14日抓住C220线压机计划停机大修转位直线缸的契机,在公司主管领导多方关心、密切协调,解决了设备改造上的硬件条件。原设备拆除和硬件安装接线在我的指导安排下顺利进行,耗时两天。因为我在该系统使用和软件方面了解得最深刻,所以整个调试修改工作就由我来独立进行。
我采用了倒逼方式,分节设置参数,调试正常后,再总装调试的步骤。先调试电机只在MHDA驱动器控制下,通过上位机——笔记本电脑里的控制软件(MMDS)监控,调整加/减速度、参数修改等,使电机静态时特性稳定,启/停过程平缓无冲击。完成该步后,再连接上位置控制模块(140 MSB 101),有外部干扰存在的实际工作环境下,再次调试其运动控制特性。最后接入PLC信号,模拟完全系统(电机不带负载)工作参数调整,满足要求后才连接负载,进行完整的联动试车。
整个安装调试过程共进行了三天,取得了圆满的成功,至今设备运行状态良好。
改进后的设备架构基本未变,但是具有监控电机寻原点更加可视化,运动参数储存在驱动器内、调整更加方便,运行更加稳定的改良特性。并且,在设备组成上接线线路很简明,脉络简单,元器件更少。相比之下:
1、原输入380V交流电压,通过变压器转换输出199V和33V给驱动器电源,再由驱动器电源转换输出正/负12V和20V电压给驱动器,还有24V电压开关量信号,最后连接到电机输出380V交流电压。可见其电压等级繁多,设备复杂。
改进后的控制系统仅输入380V交流电压,进入驱动器后直接输出380V交流电压,外部接线十分简单明了,少了很多转换设备,而且驱动器具有电机特性参数存储功能。
2、新系统电机为无刷式电机,其稳定性和耐用性更高,电机本身静态特性更优良。
3、连接线路简化了,干扰产生更少,抗干扰能力也更强,使电机控制系统更稳定。
通过对上述系统的比较、分析,可以看出:正是由于伺服控制系统的高精度性,高可靠性,高平稳性及易于控制调整等等优良特性,使得伺服控制系统的应用更加广泛,其控制技术也不断进步、发展,为工业化进程作出更多的贡献。