info
西门子:电池白皮书
行业动态
MORE...
应用案例
MORE...
技术前沿
MORE...
当前位置:首页 OEM专栏 正文
力控forcecontrol6.0在轮胎裂解方面的应用
:  zaoche168.com   2008年11月17日

  一、引言
  长期以来,废旧轮胎处置和资源化利用技术一直是环境保护的世界性难题。目前全世界每年有15亿条轮胎报废,其中北美占4亿条,西欧近2亿条,日本占1亿条。我国轮胎年产量已超过1亿只,居世界第三位,每年产生的废旧轮胎达5000多万只,重量140余万吨。但年处理量只有20多万吨,仅占总产生量的14.2%,大量废旧轮胎被丢弃或露天堆放。随着轿车进入家庭和汽车拥有量的增加,废旧轮胎的产生量正进入迅速增长阶段,轮胎如何有效回收利用,防止对环境造成直接污染和二次污染,也是中国废物资源回收利用中迫切需要解决的重大课题。
  
  二、系统描述
  本系统上位主要由三维力控组态软件负责数据采集、报表生成、趋势曲线、声光报警记录、网络发布等功能的实现,下位主要有研华全系列板卡负责模拟量的采集和西门子300plc来负责开关量的控制。研华的板卡采集温度、压力、流量等、西门子主要控制釜门的开度和氮气的开度等。力控组态软件支持研华PCI_1784 、PCI_1240、 PCI_1243U、 PCL_839和研华全系列等多种型号的板卡、对西门子plc支持s7和s5协议,以及工业以太网协议。
  


  

  三、系统的性能和特点
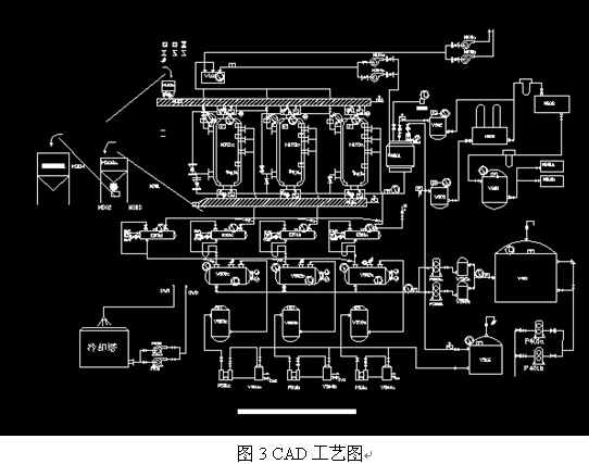
  1、工艺流程
  废旧轮胎是由石油产物或生胶、纤维帘线、钢丝帘线、炭黑和其他配合剂,混炼、压延而成。它在催化剂(MHC-6)作用下,加热常压催化裂解为混合型燃料油,此混合油为橡胶原油。橡胶原油经脱色除味,再经分馏处理,得汽油、柴油馏分,再加入适当的调整剂,调合出符合国家标准的汽油、柴油和燃料油。其工艺流程为:废旧轮胎整理去杂→入炉加热,加入催化剂→催化裂解反应→冷却成油(橡胶原油)→洗处理→加热精馏,冷凝→成品油馏分(汽油、柴油、燃料油)→调合→成品油(汽油、柴油、燃料油)汽油质量达到GB17930-1999车用无铅汽油标准;柴油质量达到GB252-2000轻柴油标准;燃料油质量达到SH/T0356-1996燃料油标准。
  
  裂解后釜内残渣即粗炭黑,可精制成成品炭黑,其生产流程为:
  粗炭黑→筛选→磁选→水选→干燥→气流涡旋粉碎→风旋沉降分级→脉冲除尘→活化还原→炭分子螯合成型→成品炭黑(N330、N660)炭黑质量达到GB3778-94橡胶用炭黑标准。
  
  2、力控组态软件在本工程中的几个应用
  辽宁杜尔科技环保有限公司是家外资企业,有着先进的技术实力和优秀的研究成果。公司在辽宁做的工程项目,要求在美国总部可以通过IE浏览。
  
  (1)、网络发布功能
  北京三维力控forcecontorl6.0提供在Internet/Intranet上通过IE浏览器以“瘦”客户端方式监控工业现场的解决方案;服务器中心使用固定ip,发布的画面全球都可以浏览。
  
  WWW服务器端与客户端画面的数据高度同步,浏览器上看到的画面图形与组态软件生成的过程画面效果完全相同。并且可以在服务器端设置IE浏览的客户端的可操作性,可以设置成可控性也可以设置成只可浏览不可控型,这样确保了整个工程安全性。
  
  (2)、先进的专家报表功能
  报表开发工具提供丰富的报表操作函数集,支持复杂脚本控制,包括脚本调用和事件脚本,比如:利用报表函数可以在报表上同时显示实时数据和任意时刻的历史数据,并加以统计处理,例如取行平均、列平均,统计出最大值和最小值。
  
  力控6.0中的专家报表,通过向导,方便、快速的生成日报、月报等功能,并且可以自动或手动保存成Excel、PDF、Txt等格式的文件。
  
  专家报表开放其方法和属性,利用力控的多彩脚本编辑器,方便的对报表进行如:时间历史查询、打印、导入导出等各项功能。
  
  (3)、曲线模板功能
  力控不但提供方便快捷的报表功能,在实时/历史趋势曲线上,提供了两个曲线的模板,我们只需要把采集的变量添加进去,就可以使用其中已经编辑好的各种功能,如:历史查询、曲线缩放、隐藏显示、属性设置等各种功能。
  

  四、结束语

  本项目是将废轮胎造成的"黑色污染"变为再生资源,以原料状态进入生产循环中去,既是环境治理,又是资源综合再生利用,是典型的循环经济可持续发展的实例。特别是,100%资源化再利用特点,在一定意义上,不仅使生产轮胎的各种原料变成了可再生资源,而且较高的回收效率使废胎回收产业实现规模化处理,改变现有“土法废胎炼油”的小规模低效率回收方式,克服了二次污染,根除废轮胎及废橡胶造成的"黑色污染",实现轮胎生产业链的清洁生产,循环生产的目标。采用热裂解工艺对废塑料进行油化,对废轮胎油化和炭化,不仅能实现变废为宝,而且有很重要的经济意义和社会意义。

品牌社区
—— 造车工艺 ——
—— 数字化制造 ——
—— 智能驾驶 ——
—— 新能源技术 ——
—— 机器人技术 ——