图 1 旋转滚床 在工厂的机械化输送系统中经常采用滑橇输送系统,而在系统的应用方案中,分布控制方案因其具有强大的技术优势和良好的应用效果,被认为是滑橇输送系统工业自动化控制技术进步的必然发展趋势。">
2025年11月14日
配天机器人2025年11月14日
TE2025年11月14日
西门子2025年11月14日
新时达2025年11月14日
蔡司工业
2025年11月13日
埃尔森
2025年11月10日
BBS
2025年11月07日
劳易测
2025年11月06日
和利时
2025年11月14日
威图
2025年11月14日
TE
2025年11月14日
KUKA
2025年11月14日
先导智能
2025年11月14日
TDK

图1 旋转滚床
在工厂的机械化输送系统中经常采用滑橇输送系统,而在系统的应用方案中,分布控制方案因其具有强大的技术优势和良好的应用效果,被认为是滑橇输送系统工业自动化控制技术进步的必然发展趋势。
汽车工厂焊装车间、涂装车间的机械化输送系统绝大部分采用滑橇输送系统,目前普遍应用的滑橇输送系统控制技术解决方案主要有3种,即分散控制方案、分散集成控制方案和分布控制方案。分布控制解决方案以其大量减少控制柜数量、节省工艺面积、大量减少配线和现场接线数量(至少30%)、节省投资和缩短工程周期、安装调试维护方便快捷等技术和工程优势,被认为是滑橇输送系统工业自动化控制技术进步的必然发展趋势,在国际上特别是在汽车行业的物流自动化控制系统中已得到普遍应用。
我国引进的项目,如一汽大众PQ35涂装车间、一汽解放卡车驾驶室涂装车间及一汽轿车涂装车间等的滑橇输送系统均采用了分布控制技术。
目前,国际化的自动化设备制造商(如美国ROCKWELL AUTOMATION公司、德国SEW公司以及丹麦DANFOSS公司等)都有成熟的系列分布控制器,但市场上的分布控制器都是面对通用的控制设备,而不是面对由多个控制设备对象组合的成套输送设备单元,且普遍存在功能、配置不足或过剩,价格高,与分散控制方案、分散集成控制方案相比竞争力不高等缺点。

图2 (a) 主回路 (b) 控制回路1
滑橇输送系统每类成套输送设备单元的功能和控制设备对象及配置已固化(标准化),因此开发定制专用滑橇分布控制器十分必要。
下面通过滑橇输送系统中一种成套输送设备单元——旋转滚床为例来说明专用滑橇分布控制器的开发原则和结构原理。
机械设备旋转滚床的工作原理和控制要求
旋转滚床是滑橇输送系统中改变输送线布置方向(90°居多)或同时改变工件头尾方向的成套输送设备单元(如图1)。
1.主要构成:一台0.55kW的输送驱动电机,用于工件输送驱动;一台0.75kW旋转驱动电机,用于旋转滚床的旋转驱动。
2. 设备的工作原理:旋转滚床有一个进件工位和一个出件工位,当进件工位空置(没有工件)时,如前一工位工件输送到位,输送电机启动接收工件,检测到慢速信号后减速,旋转到位后停止输送。旋转滚床占位(工件输送到位)后,旋转电机启动,检测到慢速信号后减速,到出件工位后停止旋转。旋转滚床占位且停止在出件工位后,等待后续工位的空置信号,后续工位空置时,输送电机起动进行出件操作,前一工位接收工件到位后输送停止。旋转滚床空置后,旋转电机起动回转到进件工位。旋转滚床不在出件工位输送出现超行程信号或工件进出过程没有全部完成时(未进/出到位),旋转电机不得起动或立即停止运行。任何时候旋转电机和输送电机不得同时运行。
3. 设备的控制系统功能要求和配置:旋转电机和输送电机均需要采用变频器进行调速控制以保证精确定位,输送检测元件设置4个(橇体占位、慢速、到位和超行程),旋转检测元件6个,其中旋转起止方向设置慢速、到位和超行程各1个。

图3 (c) 控制回路2 (d) 控制回路3
机械设备旋转滚床控制解决方案分析
对于成套输送设备单元的控制系统,目前有3种解决方案:
1. 分散控制方案
在旋转滚床上安装现场总线的现场模块1个(16个输入点)用于连接10个检测元件,通过现场总线I/O站的I/O点连接变频器的控制接线端子(或部分集成)将变频器连接到现场总线网络。2台变频器分别控制输送驱动电机和旋转驱动电机,电机保护和控制使用断路器和接触器,通过现场总线I/O站的I/O点对点接线实现控制和状态反馈,共占用3个多现场总线节点。
2. 分散集成控制方案
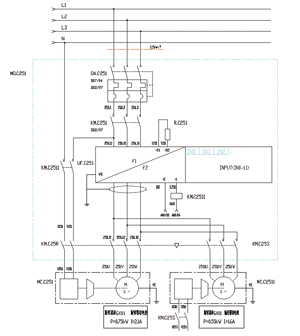
在旋转滚床上安装现场总线的现场模块1个(16个输入点)用于连接10个检测元件,变频器通过现场总线通信卡连接到现场总线网络,由网络控制。2台变频器分别控制输送驱动电机和旋转驱动电机,电机保护和控制使用电机起动器集成到现场总线节点,共占用3个多现场总线节点。分散集成控制方案的原理图如图2。
3. 分布控制方案
该方案采用目前市场上的通用分布控制器(带变频器的)2台,分别控制输送驱动电机和旋转驱动电机,每个通用分布控制器集成有输入点(可选用具有多个输入点的控制器或扩展I/O模块以保证配置10个及以上的输入点)用于连接10个检测元件,占用2个现场总线节点。
定制的滑橇分布控制器原理
为旋转滚床定制的滑橇分布控制器构成为:现场总线模块——用于连接到现场总线网络输入/输出模块(配置不少于10个输入点用于连接共10个检测元件);驱动模块使用1个变频器,通过参数组切换和硬件切换电路,既控制输送驱动电机也控制旋转驱动电机。上述全部控制功能和元件集成在1个壳体内,占用1个现场总线节点,且仅配置机械设备操作特性必须的功能和设备(如现场维修开关、复位按键、指示器件等)。因此,本方案的指导思想确定的滑橇分布控制器针对的是已标准化的成套输送设备的定制功能和配置的专用控制器,目前国内和国际上均为空白,其具体原理如图4。滑橇分布控制器(适用旋转滚床)的配置如表所示。

图4 滑橇分布控制器(适用旋转滚床)原理
针对滑橇输送系统的1~3个单速滚床、软启动驱动的1~3个单速滚床、旋转滚床、轨道移行机、剪式升降台、升降机、皮带移行机、升降滚床、存储链、输送链、过渡滚床和堆垛机等滑橇输送系统成套输送设备,分别依据上述原则定义每种滑橇分布控制器的功能、配置、连接方式、I/O点数量和规格、数据映像、操作指示器件的配置及功能等。采用国际通用的模块化结构,关键技术是开发可选参数组的变频器和硬件切换电路,集成现场总线通信单元、I/O单元和集成安全控制电路。可选参数组的变频器内置两套控制参数,分别用于控制和保护输送驱动电机和旋转驱动电机,国际化自动化产品供应商的资料表明此技术是可以实现的。

适用于旋转滚床的滑橇分布控制器的配置
滑橇分布控制器开发实施方案
对单速滚床等无变频器的可使用低防护等级的现场总线模块,以硬件接线的方式封装。对需要集成变频器的有两种方案:
1. 选用带现场总线通信单元的变频器并要求变频器扩展I/O,用变频器的扩展I/O控制切换电路和连接其他电路及检测元件。
2. 选用I/O点多的低防护等级的模块扩展一个模拟量接口或通信接口,I/O用于切换电路和检测元件等连接,并用点对点接线控制变频器端子,用模拟量或通信接口作变频器速度给定值控制。
滑橇分布控制器应用的实施方法和效果
在实施中,工程设计阶段依据输送系统的设计图,确认各类成套输送设备后选型对应的滑橇分布控制器;工程安装时依据设计图纸将滑橇分布控制器直接安装在成套输送设备上或附近,按照图纸连接动力电源、控制电源、电动机电缆、现场总线电缆以及I/O电缆等;调试时将现场总线节点地址按照图纸设定,EDS或GSD文件安装到现场总线配置软件中进行参数配置。
在使用过程中,应用于滑橇输送系统的分布控制除了可替代进口产品外,其产品价格也低于目前市场产品价格约30%以上,同比其他控制方案价格约低5%~10%;同时,提高设计效率约50%,缩短设计周期约40%~50%,工程周期缩短约30%;减少材料约30%,综合工程成本降低约30%以上,且调试方便,维护便利。此外,该系统还可开发功能块化的PLC控制程序,以设备组态代替编程实现自动化控制。
综上所述,滑橇分布控制器将开创滑橇输送系统控制技术的新纪元,实现新技术的优势和低成本的结合,具有广阔的应用前景和极强的竞争力。