2025年11月14日
配天机器人2025年11月14日
TE2025年11月14日
西门子2025年11月14日
新时达2025年11月14日
蔡司工业
2025年11月13日
埃尔森
2025年11月10日
BBS
2025年11月07日
劳易测
2025年11月06日
和利时
2025年11月14日
威图
2025年11月14日
TE
2025年11月14日
KUKA
2025年11月14日
先导智能
2025年11月14日
TDK
随着汽车交流发电机的广泛使用,在发电机中起输出电压调节作用的调节器也得到不断发展,尤其是电子电压调节器,因为它与机械式电压调节器相比具有体积更小、调节更精确、性能更可靠的特点,所以几乎在所有车用发电机中得到了使用,基本取代了机械式调节器。本文以摩托罗拉的电子电压调节器为例,对汽车的发电机调节器的发展进行了介绍。
作为发电机的电输出管理器件,电子调节器最主要的功能就是在整个工作温度范围内(一般为-40~90℃),通过采样交流发电机的输出电压,经内部逻辑电路的判断结果来控制转子绕组的电流,继而调节磁场强度来控制发电机的输出,以防止蓄电池的过充电。调节器的主要功能模块如图1 所示。

图1 调节器的主要功能模块
所谓的多功能电子电压调节器就是在此基础上,增加了远端电压采样、电位警示及自动保护等功能,以方便驾驶和维修人员对发电机状态进行更好的监控,也提高了发电机的可靠性。
几大汽车电机制造商,如博世、电装、德尔福、法雷奥和摩托罗拉等都根据自己对交流发电机的工作方式、环境的理解,以及各自的制造水平,分别推出了各具特色的电子电压调节器,并结合同时代汽车技术的发展不断改进,演变出新的型号。

图2 厚膜型调节器
摩托罗拉较早推出的调节器限于当时的制造工艺水平和设计思路,把除磁场功率管外的模块集成在一块厚膜电路板上,称为厚膜型调节器,如图2所示。

图3 单片型调节器
后来,随着集成电路技术的发展和批量生产的需要,摩托罗拉又推出了集成度更高的单片电路,具有与厚膜型调节器相同的功能,如图3所示。
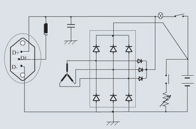
图4 厚膜型和单片型调节器的应用电气原理图
厚膜型调节器和单片型调节器的应用电气原理图是一样的,如图4所示。

图5 厚膜和单片的多功能电子调节器功能模块
对应于上面两种调节器,摩托罗拉又推出了厚膜和单片的多功能电子调节器,其功能模块如图5所示。
与摩托罗拉的前期产品相比较,厚膜和单片的多功能电子调节器除增加了相位信号取样电路和警示灯回路开关管外,取样电路和逻辑判断电路都发生了质的变化:取样电路在“本机取样”(B+)的基础上,增加了“远程取样”(S)功能部分;逻辑判断电路变得更复杂,在原有的输入信号处理电路中,又增加了相位信号判断部分,除控制磁场功率管外,还输出信号给警示灯回路开关管。
这两种调节器的实物示意图与单功能的相近似,只是增加了管脚。它们的应用电气原理如图6所示。
图6 厚膜和单片的多功能电子调节器的应用电气原理图
在增加了相电压输入信号后,发电机的初次发电转速降低了。而通过“远程取样”,发电机的输出电压可相对提高数十毫伏,更有效地满足了用电器的功率消耗。把警示灯工作回路从磁场绕组和功率管电路中独立出来后,可以提供更丰富的报警信号,使驾驶和维修人员能够更早地意识到发电机的异常状态,更好地满足了车辆的保养和安全要求。这也是越来越多的运输工具采用多功能调节器的原因所在。
更本质性的变化发生在近十年智能网络等先进技术在运输工具上的应用。
第一代的发电机调节器只具有最基本的输出电压控制功能。
从第二代开始,调节器已经进化到具有一些“原始智能”的汽车电子部件,它可以在示警提醒的同时进行自我保护和调节,给汽车的整个控制系统增添了一个较和谐的节点。
第三代调节器有了一个更大的“跨越”。它在自控的同时,还向发动机的大脑——ECU汇报发电机的状态,即:对应转速的频率、磁场开通周期比,从“小我”开始溶入“大我”,如图7所示。

图7 第三代发电机调节器
现在,第四代 “未来型”的调节器已经在许多制造商的实验室里孕育了数个寒暑,呼之欲出。
发动机ECU采集各端口信号,并发布指令让各器件作出相应的动作。新生代调节器也溶入了这个网络,输出电压由ECU根据蓄电池和用电器状态决定;发生故障后,也由ECU决定调节器如何动作,并由ECU记录故障代码。驾驶和维修人员可以根据读码器直观地知道发电机发生过什么,现在怎么了。
也许以后发电机会被称作“起动发电一体机”或别的什么,但调节器或行使调节器职能的器件将会成为ECU的一个有感知和动作功能的“腕足”,并有很多“兄弟姊妹”在汽车的控制网络中和它一起倾听“大脑ECU”的召唤,使人们可以更安全地驾驶汽车。