2025年11月14日
配天机器人2025年11月14日
TE2025年11月14日
西门子2025年11月14日
新时达2025年11月14日
蔡司工业
2025年11月13日
埃尔森
2025年11月10日
BBS
2025年11月07日
劳易测
2025年11月06日
和利时
2025年11月14日
威图
2025年11月14日
TE
2025年11月14日
KUKA
2025年11月14日
先导智能
2025年11月14日
TDK
当前轨道交通车辆不断地朝着高速化、轻量化以及低噪音方向发展,空气弹簧悬挂系统具有诸多钢制螺旋弹簧不具备的优点,因此在干线高速铁道车辆转向架和城市轨道交通车辆转向架中均日益广泛地采用空气弹簧作为二系悬挂装置。与空气弹簧相比,钢弹簧由于具有线性刚度特性,使其在轨道交通车辆上的应用受到限制,这主要有两方面的原因:
一,在高速轨道交通领域刚弹簧不能够大幅度提高车辆悬挂系统静挠度以降低车体的自振频率,尤其是车辆的载客量较大时;
二,城市轨道交通车辆的载客量大而且要求地板高度在不同载客量时基本不变,钢弹簧不具备这种特性。
总之,空气弹簧悬挂的采用可以显著提高车辆系统的运行平稳性,大大简化转向架的结构,使转向架实现轻量化和易于维护。一般来讲,轨道交通车辆对空气弹簧的采用可以分为三个阶段:
⑴利用空气弹簧的垂向特性,提高车辆系统的垂向运行平稳性;
⑵空气弹簧的垂向和横向特性并用,取消转向架二系悬挂装置中的摇动台,简化转向架结构;
⑶充分利用大变位(包括扭转)、低横向刚度空气弹簧的三维特性(图-1,图-2),取消摇枕,彻底实现转向架二系悬挂装置的轻量化,同时使抗蛇行运动减振器的采用成为可能,可更好地协调转向架蛇行运动稳定性和良好的曲线通过性能之间的矛盾。

图-1 B型城市轨道交通车辆动车无摇枕转向架

图-2 利用空气弹簧三维特性的城轨无摇征转向架二系悬挂装置
2 空气弹簧悬挂系统的构成

图-3 空气弹簧悬挂系统
1.空气弹簧 2.高度控制阀 3.高度调整连杆 4. 高度调整杠杆
5.列车风源 6.排气口 7.节流孔(阀) 8. 附加空气室 9.差压阀
空气弹簧悬挂的整个系统如图-3所示,主要由空气弹簧本体、附加空气室、高度控制装置、差压阀和节流孔(阀)等组成。该系统的工作原理为:车辆静载荷增加时,空气弹簧1被压缩使空气弹簧工作高度降低,这样高度控制阀2随车体下降,由于高度调整连杆3的长度固定,此时高度调整杠杆4发生转动打开高度控制阀的进气机构,压力空气由列车风源5通过高度控制阀的进气机构进入空气弹簧1和附加空气室8,直到高度调整杠杆回到水平位置即空气弹簧恢复其原来的工作高度;车辆静载荷减小时,空气弹簧1伸长使空气弹簧的工作高度增大,高度控制阀2随车体上升,同样由于高度调整连杆3的长度固定,高度调整杠杆4发生反向转动打开高度控制阀的排气机构,压力空气由空气弹簧1和附加空气室8通过高度控制阀的排气机构经排气口6排入大气,直到高度调整杠杆回到水平位置。
2.1 空气弹簧和附加空气室
2.1.1 空气弹簧
空气弹簧悬挂系统具有理想的反S形非线性刚度特性,在正常工作范围内刚度很低,而振幅较大时其刚度具有陡增的特点,可以限制车体发生过大的位移。空气弹簧还能够有效地吸收高频振动和隔离噪音,并且由于自动高度控制阀的采用使空气弹簧悬挂可以保持地板高度不随车辆静载荷的变化而发生变化(除一系悬挂和车轮磨耗外)即空气弹簧具有恒定的工作高度。此外,更为重要的是,随着空气弹簧技术的不断进步,尤其是低横向刚度、大扭转变形空气弹簧的实用化,使得无摇枕转向架的研制成为可能。在无摇枕转向架中,利用高柔性空气弹簧低横向刚度和允许大扭转变形的特点,取消了传统转向架二系悬挂结构中的摇动台和摇枕装置而采用空气弹簧直接支承车体,使转向架的结构大为简化,减轻转向架的重量800~1000kg,实现了轻量化,同时提高了转向架的易维护性和安全可靠性。相同条件下,决定空气弹簧刚度特性的主要因素是橡胶囊的形状、材质、帘线角以及上盖和下座的几何参数等。此外,所采用的金属叠层橡胶辅助弹簧的形式对空气弹簧系统的性能也有重要影响。一般对于采用空气弹簧悬挂的车辆要求车辆垂向和横向的低频自振频率不大于1Hz。评价空气弹簧性能的主要参数有:
⑴有效直径,约450~640mm。
⑵垂直静/动刚度,垂直静刚度一般为0.3~0.4MN/m。
⑶水平静/动刚度,水平静刚度一般为0.15~0.2MN/m。
⑷最大允许的垂向位移,±30mm。
⑸最大允许的横向位移,±60~120mm。
⑹工作高度,约200~300mm。
2.1.2 附加空气室
附加空气室的作用在于能够显著降低空气弹簧的垂向刚度,但当附加空气室的容积达到一定数值后(一般为60~70L)刚度变化不再明显。对于有摇枕转向架一般是利用摇枕的内腔作为空气弹簧的附加空气室。无摇枕转向架有两种情况:一种是利用转向架构架侧梁和(或)横梁内腔;另一种是在车体上设置单独的空气弹簧附加空气室。这两种情况各有利弊,应根据不同的设计条件加以选择。
2.2 高度控制阀和差压阀
2.2.1 高度控制阀
正是由于自动高度控制阀的采用才使得空气弹簧具有许多优点。车体高度控制是通过高度控制阀控制空气弹簧充、放气来实现的。一般城市轨道交通车辆要求载荷变化时车辆地板高度调整的时间不超过车站停车时间,地板面高度的变化范围为±10mm。高度阀只能用来补偿乘客重量的变化,而不能用于补偿车轮和转向架零件的磨损,高度阀应不受车辆振动和轨道冲击的影响。高度控制阀的主要技术性能指标有(杠杆长度140mm,温度20℃,主风缸压力5kg/cm2):
⑴截止频率,一般为1Hz;
⑵无感带,9~11mm;
⑶动作延迟时间,3±1s;
⑷空气流量:40S以下(40L风缸,压力由5kg/cm2下降到2kg/cm2)。
2.2.2 差压阀
差压阀安装在同一转向架左右空气弹簧的连接管路中间,在任何一侧的空气弹簧出现异常时作为安全装置而起作用,连通左右空气弹簧,防止车体过大倾斜。压差阀的动作压力一般有1kg/cm2、1.2kg/cm2、1.5kg/cm2三种。压差阀动作压力的选择应综合考虑多方面的因素,在条件允许的情况下尽可能选择较小值,以减小车辆在过渡曲线上的对角压差,提高车辆的抗脱轨安全性。
2.3 抗侧滚扭杆
空气弹簧的采用,一方面大大提高了车辆悬挂系统的静挠度,降低了车辆在垂向和横向的自振频率使运行平稳性提高;同时,由于垂向静挠度的增加降低了车辆系统的抗侧滚刚度,致使车辆在通过道岔和曲线时的侧滚角增大,车辆乘坐舒适度下降。抗侧滚扭杆的作用就是:在不增加车辆的垂向和横向悬挂刚度的前提下,提高车辆的抗侧滚刚度,以限制车辆在较大线路不平顺时的侧滚角,保证车辆在动态情况下不超出允许的车辆限界并提高乘坐舒适度。可见,抗侧滚扭杆的实质就是一个扭力弹簧,它不约束车体的浮沉和横摆运动,但在车体发生侧滚时可产生较大的复原力矩,提高车辆抗倾覆稳定性。抗侧滚扭杆的刚度值一般为2~3MN•m/rad。抗侧滚扭杆装置必须具有合理的设计和安装结构,否则会对车辆在直线上的运行平稳性产生不利影响。
提高车辆抗倾覆稳定性的另一种方法是增加空气弹簧的横向跨距和提高空气弹簧上支承面的高度,但这要受到车辆宽度和地板高度的限制,并要考虑对车辆曲线通过性能的影响。此方法在日本采用较多。
2.4 节流孔和节流阀
采用空气弹簧的另外一个好处是可以在空气弹簧本体和附加空气室之间设置适宜大小的固定节流孔或可变阻尼节流阀代替二系垂向油压减振器。固定节流孔结构简单,几乎不增加空气弹簧的成本,但减振效果不好,一般用于速度较低的车辆。固定节流孔的直径一般为13mm左右。可变阻尼节流阀由于能够依据振动速度的变化而改变节流孔的开度,因此无论是在低频振动范围还是高频振动范围均具有良好的减振效果。采用可变阻尼节流阀的空气弹簧不仅可使车辆垂向的高、低频振动均有适宜的阻尼,并且对车体侧滚的低频振动也有良好的衰减效果。当然,是采用节流阀还是油压减振器提供垂向阻尼与空气弹簧结构及工作特性有关。欧洲多采用垂直油压减振器,而日本多采用节流阀。
空气弹簧悬挂系统的横向阻尼由横向油压减振器提供。在有摇枕转向架中,多由支重旁承提供回转阻尼提高车辆蛇行运动的临界速度;在无摇枕转向架中,一般当车辆的运营速度达到120Km/h以上时,都通过在车体和转向架构架之间安装抗蛇行油压减振器来保证蛇行运动的临界速度。
3 转向架二系悬挂装置对空气弹簧性能的要求
可以说空气弹簧技术的进步推动了转向架技术的进步,也可以说转向架高速化和轻量化的发展要求促使空气弹簧的性能不断提高,二者相互作用。综观国内外典型的转向架,空气弹簧二系悬挂的结构有三种基本形式:摇动台式、有摇枕式和无摇枕式。这三种形式既是依次进步的,也是共同并存的,三者对空气弹簧性能的要求有很大的区别。
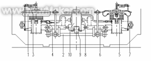
3.1 有摇动台和摇枕装置的转向架
这种转向架的二系悬挂装置(图-4)主要由摇枕吊杆1、弹簧托梁2、空气弹簧3、摇枕4、抗侧滚扭杆5、高度控制阀6、差压阀7、可变节流阀8、横向油压减振器9、支重旁承10、横向止挡11、牵引拉杆12、和中心销13等组成。此结构中主要是利用空气弹簧低的垂向刚度而二系悬挂低的横向刚度主要有摇枕吊杆装置提供,对空气弹簧的纵向刚度没有要求。车辆运行中空气弹簧的横向位移很小,基本没有纵向和扭转位移。典型的转向架有209PK、209HS、BT10和CW-2等。

图-4 有摇动台和摇枕装置的转向架
1.摇枕吊杆 2.弹簧托梁 3.空气弹簧 4.摇枕 5.抗侧滚扭杆 6.高度控制阀 7.差压阀
8.可变节流阀 9.横向油压减振器 10.支重旁承 11.横向止挡 12.牵引拉杆 13.中心销
209PK转向架为销孔结构的长吊杆,结构中存在磨耗,但安全可靠。209HS转向架为带弹性接点的长吊杆,无磨耗,同时由于碗形叠层橡胶堆的采用进一步降低了摇动台的横向刚度即增加了吊杆的有效长度。CW-2转向架采用刚性凹凸摆块式长吊杆,与209系列转向架不同的是在摇枕和弹簧托梁之间设有横向拉杆,这样二系悬挂的横向刚度就完全由摇动台提供。
支重旁承的作用除支持车体的重量外,还提供适宜转向架相对车体的回转摩擦阻力矩,以提高车辆的蛇行运动稳定性。横向止挡起弹性缓冲作用,限制车体过大的横向位移。牵引拉杆的作用是传递车体和转向架之间的纵向力。中心销传递纵向力并为转向架提供回转中心。
3.2 无摇动台有摇枕装置的转向架
转向架的二系悬挂装置(图-5)主要由空气弹簧1、摇枕2、抗侧滚扭杆3、高度控制阀4、差压阀5、可变节流阀6、横向油压减振器7、支重旁承8、横向止挡9、牵引拉杆10、和中心销11等组成。此结构中不但利用空气弹簧低的垂向刚度而且利用空气弹簧低的横向刚度取消了摇动台装置,对空气弹簧的纵向刚度没有要求。车辆运行中空气弹簧的横向位移一般最大不超过60mm,基本没有纵向和扭转位移。此种转向架有Y36P、DT200、206KP、SW—160和DK3型地铁客车转向架等。
空气弹簧直接安装在转向架构架或摇枕上,利用空气弹簧低的横向刚度取消了摇枕吊杆、弹簧托梁等零部件,简化了转向架结构,减轻重量300kg左右。

图-5 无摇动台有摇枕装置的转向架
1.空气弹簧 2.摇枕 3.抗侧滚扭杆 4.高度控制阀 5.差压阀 6.可变节流阀
7.横向油压减振器 8.支重旁承 9.横向止挡 10.牵引拉杆 11.中心销
3.3 无摇枕转向架
无摇枕转向架的二系悬挂装置(图-6)主要由空气弹簧1、抗侧滚扭杆2、高度控制阀3、差压阀4、可变节流阀5、横向油压减振器6、抗蛇行减振器7、横向止挡8、牵引拉杆9、和牵引座10等组成。此结构中不但利用空气弹簧低的垂向和横向刚度,而且利用空气弹簧允许大的横向位移和扭转变形的特点取消了摇枕。车辆运行中空气弹簧的横向位移一般最大不超过60mm,纵向位移(包括扭转)最大可达110~120mm。此种转向架有法国TGV的Y237,ICE2的SGP400,日本新干线系列转向架,我国上海、广州进口的各型地铁客车转向架、国产CW-200型干线铁路客车转向架、CCDZ11型地铁客车转向架等。

图-6无摇枕转向架
1.空气弹簧 2.抗侧滚扭杆 3.高度控制阀 4.差压阀 5.可变节流阀
6.横向油压减振器 7.抗蛇行减振器 8.横向止挡 9.牵引拉杆 10.牵引座
“三无”结构(无心盘、无旁承、无摇枕)的转向架采用高柔性空气弹簧直接支承车体的结构,通过曲线时利用空气弹簧的水平移动和扭转变形代替有摇枕转向架的中心销和支重旁承摩擦副的回转功能,大大简化了转向架结构,进一步减轻重量500~700kg左右。除了高柔性空气弹簧外,性能良好的抗蛇行运动减振器和附加刚度小的牵引装置也是高速无摇枕转向架的关键技术。抗蛇行运动减振器具有非线性阻尼特性,既能提高车辆的运动稳定性又便于车辆的曲线通过。目前,无摇枕转向架的牵引装置主要有:单拉杆式、Z型拉杆式和叠层橡胶堆式等。结构极为简单、重量轻且占用空间小的单拉杆式牵引装置在日本应用较多,Z型拉杆式在欧洲应用较多。叠层橡胶堆式牵引装置的垂向和横向附加刚度大,一般多用于城市轨道交通车的转向架。此外,为进一步改善高速无摇枕转向架的横向性能,日本新干线700系车辆转向架二系悬挂中装设了可调阻尼的横向油压减振器(半主动控制)和各向异性的空气弹簧。ICE2中的SGP400转向架安装了DES回转阻尼装置和有源横向弹性系统。
4 无摇枕转向架用高柔性空气弹簧
目前,国内外无摇枕转向架常用的高柔性自由膜式空气弹簧主要有两种形式,一种是大曲囊式(图-7);另一种是小曲囊式(图-8)。大曲囊式高柔性空气弹簧的结构特点是大半径橡胶囊加圆锥形叠层橡胶辅助弹簧,最大允许的横向位移±120mm,二系悬挂的垂向阻尼一般是另设垂直油压减振器。小曲囊式高柔性空气弹簧则是小半径橡胶囊加平板形叠层橡胶辅助弹簧,最大允许的横向位移±110mm,二系悬挂的垂向阻尼一般是由空气弹簧内部的可变节流阀提供。前者需要较大的安装空间,工作高度在300mm左右,欧洲采用的较多;后者需要的安装空间较小,工作高度在200mm左右,日本多采用此种形式。

图-7大曲囊式高柔性空气弹簧

图-8小曲囊式高柔性空气弹簧
这两种形式在我国均有应用,“中原之星”号动力分散型电动车组动拖车转向架和上海、广州进口地铁客车转向架采用了前一种,而CW-200型高速客车转向架、“先锋”号动力分散型电动车组动拖车转向架和CCDZ11地铁客车转向架采用了后一种。哪种形式更好只有通过大量的对比试验加以确定,而且车辆动力学性能往往是取决于多种参数的相互匹配关系。
另外,为改善高速列车的舒适性除采用车间铰接结构、安装车间减振器以及二系横向可调阻尼油压减振器等技术外,日本500系、700系和法国TGV高速列车中也使用了各向异性的高柔性空气弹簧,以期用最小的成本达到改善车辆动力学性能的目的。对于无摇枕转向架来说空气弹簧的横向特性不仅对车辆的横向运行平稳性有决定性的作用,而且对车辆蛇行运动稳定性有重要影响,因此新型高柔性空气弹簧的研制对此必须予以足够的重视。
5 结束语
⑴ 高柔性空气弹簧的出现使无摇枕转向架的研制成为现实,转向架二系悬挂装置的结构得到简化,大幅度减轻了重量,转向架更易于维护。另外,由于摇枕吊杆等关键受力构件的减少和关系到转向架性能稳定的摩擦副的消除也使转向架的安全可靠性提高。
⑵ 无摇枕转向架二系悬挂中用抗蛇行减振器代替有摇枕转向架中支重旁承提供的摩擦回转阻尼,使提高蛇行运动稳定性和改善曲线通过性能之间的矛盾得到缓和,一定程度上提高了转向架对线路友好性。
⑶ 目前,空气弹簧的横向性能还有待于进一步提高,尤其是应尽快研制各向异性的高柔性空气弹簧,以期在不过多增加成本的前提下提高无摇枕转向架的横向动力学性能。
⑷应对对空气弹簧故障状态的车辆运行安全性及其应急措施进行深入研究。
⑸我国现有的转向架多用构架的侧梁或(和)横梁内腔作为附加空气室,而焊接构架需要焊后整体热处理,以消除焊接残余应力,这样,附加空气室内表面的防腐处理成为一个问题。
相关阅读:
•
•
•
•
•
•
•
•
•
•