2025年11月14日
配天机器人2025年11月14日
TE2025年11月14日
西门子2025年11月14日
新时达2025年11月14日
蔡司工业
2025年11月13日
埃尔森
2025年11月10日
BBS
2025年11月07日
劳易测
2025年11月06日
和利时
2025年11月14日
威图
2025年11月14日
TE
2025年11月14日
KUKA
2025年11月14日
先导智能
2025年11月14日
TDK
射频识别是无线电识别的简称,即通过无线电波进行识别。射频识别(RFID)技术是从20世纪80年代逐渐走向成熟的一种自动识别技术。射频识别应用电磁场,以非接触、无视觉、高可靠的方式传递特定识别信息,适合用于汽车防盗装置。
汽车防盗装置应具有无接触、工作距离大、精度高、信息收集处理快捷及较好的环境适应性等特点,以便加速信息的采集和处理。本文将介绍基于射频识别技术的汽车防盗装置的设计。这一系统克服了市场上使用的电池遥控装置的弱点,能够有效地达到汽车防盗的目的。
系统工作原理
本文的创新之处是以射频识别技术为基础,提出了汽车防盗装置的方案。该方案的基本原理是将汽车启动的机械钥匙与应答器相结合,即将小型应答器直接装入到钥匙把手内。当一个具有正确识别码的钥匙插入点火开关后,汽车才能用正确的方式进行启动。该装置能够提供输出信号控制点火系统,即使有人以破坏方式进入汽车内部,也不能通过配制钥匙启动汽车达到盗窃的目的。系统原理图如图1所示。

图1 系统原理框图
射频识别系统组成
一个典型的射频识别系统由两部分组成,应答器(又称电子标签、射频卡)和阅读器(又称读写器、读卡器),其基本组成如图2所示。应答器是信息的载体,应置于要识别的物体上或由个人携带;阅读器可以具有读或读/写功能,这取决于系统所用应答器的性能。

图2 射频识别系统的组成
1 应答器
应答器是射频识别系统真正的数据载体,由线圈(天线)和用于存储有关应用标识信息的存储器及微电子芯片组成。基于不同的应用,对应答器的体积、性能等的要求也各不相同。一般来说应答器的主要功能、特点有:具有信息存储、处理能力;可接收、发送无线信号,外围部件少,功耗低,能在低电压下工作;依据不同需要,具有无线、射频微波探测器、调制器、解调器、控制逻辑即存储器等部件;多种工作距离。
2 阅读器
阅读器应能实现下述功能:向应答器提供射频能量;从应答器中读出数据或写入数据至应答器;完成数据信息处理,并实现应用操作;如果需要,应能和高层处理应用交互。
虽然因频率范围、通信协议、数据传输方法的不同,各种阅读器会有很大的区别,但是所有的阅读器在上述功能上是很相似的。阅读器的组成如图3所示。图3中各部分的功能如下。发送通道:对载波信号进行功率放大;向应答器传送操作命令及写数据。接收通道:接收应答器传送至阅读器的响应及数据。载波产生器:采用晶体振荡器,产生所需频率的载波信号,并保证载波信号的频率稳定度。时钟产生电路:通过分频器形成工作所需的各种时钟。MCU:微控制器是读写器工作的核心,完成收发控制、向应答器发命令及写数据、数据读取与处理、与高层处理应用系统的通信等工作。天线:与应答器形成耦合交连。

图3 阅读器组成结构框图
硬件电路设计
本系统中的硬件电路设计主要选择了射频识别基站芯片U2270B、单片机AT89S51、语音合成芯片ISD2560和双RS232发送/接收器MAX232等。
1 U2270B在系统中的应用
U2270B是非接触识别系统中典型的一种低频读写基站芯片,它是应答器和单片机之间的接口。一方面向应答器传输能量、交换数据,另一方面负责应答器和单片机的数据通信。本系统的射频电路如图4所示。

图4 系统射频电路图
2 AT89S51与ISD2560的通信
语音报警电路以美国ISD公司生产的语音合成芯片ISD2560为核心,该芯片采用EEPROM将模拟语音信号直接写入半导体存储单元中,无须另加A/D或D/A变换来存放或重放。该器件有音质自然、使用方便、单片存放、反复录音、低功耗等许多特点。车主开车时,如果应答器里面的密钥正确,单片机就发出正确的信号给汽车电子点火系统,汽车才可以启动,此时语音报警电路不工作;如果有人非法用配置钥匙启动汽车时,单片机就发出信号给语音系统,语音系统立刻发出报警声音。
在实际电路设计时,将单片机AT89S51的P1口、P3.4和P3.5与ISD2560的地址线相连,用以设置语音段的起始地址。P3.0~P3.3用以控制录放音状态。AT89S51与ISD2560的接口电路如图5所示。

图5 AT89S51与ISD2560接口电路
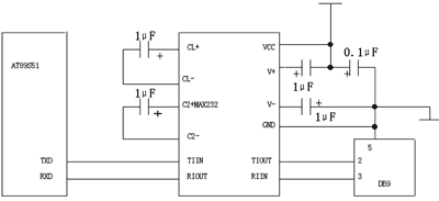
3 AT89S51与MAX232的通信
在PC中一般有两个标准RS-232C串行接口COM1和COM2。该标准规定最高数据传送速率可达19.2Kb/s,最长传送电缆可达15m。RS-232C标准的电平采用负逻辑,规定+3~+15V之间的任意电平为逻辑“0”电平,-3~-15V之间的任意电平为逻辑“1”电平,与TTL和CMOS电平是不同的。在接口电路和计算机接口芯片中大都为TTL或CMOS电平,所以在通信时,必须进行电平转换,以便与RS-232C标准的电平匹配。MAX232芯片可以完成电平转换这一工作。
MAX232芯片是Maxim公司生产的低功耗、单电源双RS232发送/接收器,它的内部有一个电源电压变换器,可以把输入的+5V电源变换成RS-232C输出电平所需±10V电压,所以采用此芯片接口的串行通信系统只要单一的+5V电源就可以了。AT89S51与MAX232的接口电路如图6所示。

图6 AT89S51与MAX232的接口电路
软件系统设计
统软件设计包括读卡软件设计、写卡软件设计、语音报警程序设计和串行通信程序设计等。下面给出读卡软件的具体设计方案。
IC卡发射数据由基站天线接收后,由U2270B处理后经基站的Output脚把得到的数据流发给微处理器AT89S51的输入口。这里基站只完成信号的接收和整流的工作,而信号的解调解码的工作要由微处理器来完成。微处理器要根据输入信号在高电平、低电平的持续时间来模拟时序进行解码操作。