info
西门子:电池白皮书
行业动态
MORE...
应用案例
MORE...
技术前沿
MORE...
当前位置:首页 行业资讯 正文
电动汽车电池管理系统的多路电压采集电路设计
转载 :  zaoche168.com   2009年03月22日

  为保证电动车的正常和安全行驶,电池管理系统必须实时监测电动车电池的电压数据。蓄电池是电动车的主要动力源。通过电压采集电路和A/D转换实现电压数据的获取。而为了避免电池的不均衡性带来的局部过充/过放所引起的安全问题,要求监测系统必须对每个单体或几个单体电压进行精确测量。如果采用传统的多路电压采集方法,当电池单体数目较多时,整个管理系统的设计与实现会有成本高、一致性差等缺点。本文以电动车用铅酸电池为对象,设计了一种新颖的多路电压采集电路。

  电池监测系统中电压巡检的硬件结构

  一般电动汽车配备10~30节电池,单体(模块)电压范围为3~20V,电池使用时串联,蓄电池端电压将达到200V以上。


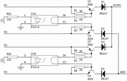
图1采用电路选通回路的电池管理系统的电压采集方法

图2 部分电压信号调理电路

  本文提出了如图1所示的设计思路。设计通过移位开关电路依次选通被测回路,通过A/D采集单路数据,完成数据采集。这种设计方法具有以下优点:

  1. 电路简单。简化制作PCB板和布线过程。

  2. 使用的器件少,成本低。采集电路中主要成本来自ADC,而该电路只需要1个ADC即可。

  
3. 能够解决由于运算放大器等芯片的参数不均匀而引起的一致性较差的问题。

采集电路描述

  采集对象为电动车用铅酸电池,需要对26节电池模块进行实时的电压、电流和温度监测。测量模块电压范围为8V~20V,电池串联。按图1的设计思路,采用巡检电路管理电压数据的采集。

电路概述

  电路中的信号巡检部分如图2所示,电路共26路输入,图2中只表示其中两路。

  在电路中,U1~U3为串联模块电压信号的输入端,从U1到U3电势逐渐降低,每两个相邻输入端点之间为一个电池模块(12V)。电压信号经过此电路后,接入后面的分压电路和ADC。C1~C2为控制信号,当控制信号为'0'时,光耦P521处于关闭状态,使得PNP和NPN三极管处于关闭状态,此时电压信号输出至ADC的通道关闭;当控制信号为'1'时,光耦开通,电路中PNP和NPN三极管的基极产生反向电压。此时,电路中三极管基极电流Ib为:

参考图2电路中的数据,可得电路发射极及集电极的电流Ice为:


  由于Ib?β>>Ice,所以输入回路中PNP和NPN三极管处于饱和状态。电压信号输出至ADC的通道开通,实现模块电压数据的选通。

  在本设计中,共有26路通道,通过26路信号控制,实现采集信号传输的选择。本设计选用Xilinx公司的CPLD芯片XC9572控制信号的高低电平,使26路控制信号依次处于信号'1'状态,每当一路导通时,其他回路处于关闭状态,实现电路的开/关控制。

  电压信号从UOUT输出后,经过20V双向瞬变二极管去除毛刺后接入分压电路,分压电路的输出直接连入ADC,完成信号的采样。通过单片机控制CPLD的输出和系统的采样周期,在CPLD开通每路控制信号2ms后采样数据。

采集电路仿真与分析

实际应用中,会出现以下问题:

  接入4路9V电池模块,电路工作正常。把26路16V电池模块依次接入电路,共400V。在连接至第22路时,三极管被击穿。

  用Electronics Workbench仿真软件通过电路仿真对电路进行分析。分析主要通过两步进行,首先分析单路导通过程中尖峰产生的原因,然后分析整体电路连续导通时的尖峰过程。

单路仿真

单路仿真模型如图3所示。


图3单路仿真模型

  其仿真波形的每个方波的上升沿和下降沿都有一个小尖峰,将波形放大后得到尖峰的峰值为500mV。分析产生尖峰的原因有以下两点:

1. 回路中感性元件的影响

  一般电路中导线都有感性, 发生变化时,电路中的感性元件会产生感应电动势,可能会引起电路中的尖峰。搭建如图3的模型,通过改变电感的感抗分析感性元件对电路的影响。

  通过仿真可得,电感感抗为4.7 mH电路的尖峰峰值为500mV,而100 mH感抗电路的尖峰峰值为3V左右。进行多组仿真可以得到:电路中电感感抗越大,尖峰的峰值越高。

2. 三极管开关时间特性的影响

  每个回路中有PNP和NPN两个三极管,而这对三极管的导通时间的差异对尖峰的产生也有影响。

  如图4所示,分析单路中两个三极管导通的过程。当两个三极管的导通时间不同时,如果一个三极管处于导通状态,而另外一个尚未导通,此时UOUT和GND中一端由于三极管导通而与输入电压(U1或U2)电位相同,而另一端则由于三极管没有导通而处于未知电平状态,如果此未知电平小于输入低电平,则可能在三极管导通的瞬间产生尖峰。在两个三极管关闭的时候亦然。

  在图3搭建的模型中,观测回路中NPN三极管两端的波形,当NPN三极管关闭时,三极管的ce两极有-250mV的压

降,而三极管导通时,ce两极间有250mV的压降。由此可知在图4中,三极管关闭时B点与GND之间存在250mV的压降,从而在Q1导通而Q2未导通时,UOUT-GND间电压比U1-U2间电压高250mV,通过以上分析,在Q2导通时,会产生250mV的尖峰。

  对于单路电路来说,三极管开关特性影响的数值是定值,为0.25V。在图4中可以看到,当电感感抗为100mH时,电路的峰值为3V,可知电路中感性元件对电路的影响占主导地位。

多路仿真

多路仿真模型如图5所示。


图4 导通电路


图5 多路仿真模型

  模型共有4路通道,每路电压为12V,采用电流开关控制采集通道的选通,控制电路为74LS138片选芯片。片选的三个输入端是频率为1000Hz、500Hz和250Hz的脉冲信号,这样,在输出端从Y0到Y7依次产生低电平信号,模型选用其中4路作为电流开关的控制信号。

  当模型的第1路开通时,输出波形有比较明显的尖峰(峰值为10V左右)。而在其他路开通时,输出波形的尖峰比较小(峰值为1V左右)。而由单路仿真可知,电路中由感抗引起的尖峰一般不会到10V。

  观察第1路PNP管上的波形,见图6。图中,位置靠下的曲线为c极的波形(图7中B点的波形),位置靠上的曲线为e极的波形(图7中A点的波形)。从图中可以看出,在所有4路三极管都关闭的时刻,输出点B的电压比输入点A低24V左右,即D点电压低于A点24V左右(三极管关断时B、D两点电压相同,参见图6)。当PNP管的导通时间比NPN管短时,图7中通路打开前A点电压高于D点24V左右,当PNP管导通而NPN管还没有导通的时候,输出回路的压降UBD为24V,而当NPN管导通形成回路以后,要求输出压降下降到电池输入两端的电压值,即12V,此时,输出回路经过放电达到要求,而产生第1路导通时刻的尖峰。

  由于电路是依次导通的,在上一路电路关闭时,输出端的电势维持在关闭前的状态,由此不会产生过高的尖峰。而小尖峰产生则主要是由电路感抗引起的。

  当输入路数比较多的时候,在所有回路都关闭时,输出回路处在某个未知电平。当三极管开关时间特性不同时,在导通瞬间,输出波形中会出现尖峰,输入回路中与PNP管相对应端的电势越高,输出的尖峰则越高。

  下面测量实际电路的波形,首先接入6路左右的16V电池组,用示波器观察输出回路中UOUT与地线之间的电压。第一路电池组导通时,输出电平左端有尖峰出现,实际波形与分析的吻合,搭建的仿真模型有效。

  改进方案及改进后电路测量数据的精度

  根据仿真结果,确定电路出现问题主要有以下两个原因:

  1. 回路中感性元件的影响;

  2. 三极管开关特性的影响,此为主要原因。

  针对分析结果的改进方案

  在本系统设计中,采取了以下改进措施:

1. 并联电容

  为了消除电路中电感对电路的影响,在输出回路的两端并联电容。并联电容基本上与回路的电感呈一定比例,而使得电路呈纯阻性。

2. 串联限流电阻

  在每对三极管和二极管中串联限流电阻,可以保护三极管不会由于过流而击穿。同时,由于此限流电阻还有分压作用,使得瞬变二极管上的电压进一步降低,使瞬变二极管不易被击穿。


图6 第1路PNP三极管两端的波形


图7 第1路仿真模型

改进后的电路

  经过在回路中串联限流电阻,电路的安全性得到保证。但电路的一致性和线性则需要进一步测试。

一致性测量

  测量一致性的主要问题是电路中串联的限流电阻的阻值之间有误差。在电路中串联的限流电阻为20k,误差为1%。分别输入9V和16V待测电压,分别接入26路输入端,得到的测量数据不在此详述。

  由数据可以看出,第22、23、25和26路的测量结果偏小,最大测量误差为1.25%,测量一致性良好。

线性测量

  由于电路中使用了三极管等非线性元器件,所以测量的线性需要验证。验证时,随机抽取一路,输入电压在2.0V~20.0V之间,每隔1V测量一次数据,测量数据也不在此详述。

  通过数据可知,输入电压在5V以下时,测量数据是不可靠的。当输入电压高于5V时,测量数据与输入电压基本呈线性关系。由于本系统主要用于镍氢电池的测量,模块电压为12V左右,电路可以满足测量要求。

结语

  本文就A/D采样测量电路中常用的多路电压采集电路提出了一种设计方法。针对电路使用中出现的问题,结合Electronics Workbench电路仿真软件搭建模型仿真电路,提出了电路的改善方法。经过验证,电路的一致性和线性较好,同时又具有电路简单、器件少等优点。

 

品牌社区
—— 造车工艺 ——
—— 数字化制造 ——
—— 智能驾驶 ——
—— 新能源技术 ——
—— 机器人技术 ——