2025年11月14日
配天机器人2025年11月14日
TE2025年11月14日
西门子2025年11月14日
新时达2025年11月14日
蔡司工业
2025年11月13日
埃尔森
2025年11月10日
BBS
2025年11月07日
劳易测
2025年11月06日
和利时
2025年11月14日
威图
2025年11月14日
TE
2025年11月14日
KUKA
2025年11月14日
先导智能
2025年11月14日
TDK
1.检查机油压力表
当CAT3306型直喷式柴油机机油压力过低时,应根据柴油机润滑系统的原理,结合现场工作实践,本着“从易到难”的原则,进行下述方面的检查。
机油温度将影响机油压力,一般情况下,机油温度每升高3℃机油压力就会降低7kPa。
检查机油压力表有无故障时,可以采用外接表的方式;启动发动机,将机油温度保持为99℃,然后检查机油压力,并参照附表确定机油压力是否真正过低。

发动机机油压力参照表
2.检查机油油位
检查油底壳中机油油面是否处于正常范围内,如果机油油面过低,将造成机油泵吸空现象,机油中存在空气,使机油压力过低。
3.检查外部各处有无漏油现象
发动机外部(包括涡轮增压器润滑油管、曲轴前后油封、油底壳垫、呼吸器、机油感应塞等处)若有漏油,造成机油流失量较大,也可导致机油压力过低。
4.检查机油滤芯有无堵塞
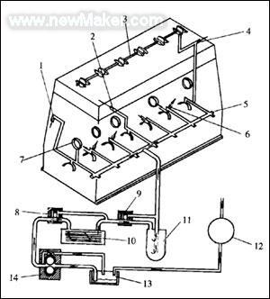
机油滤芯堵塞后会造成机油流通受阻,压力增大,使旁通阀9(见附图)自动打开,机油不经滤芯就直接流入主油道。

发动机热机情况下的润滑系统图
1、机油通道(通向怠速齿轮)2、机油通道(通向涡轮增压器和喷油泵)
3、摇臂轴4、油道接头 5、机油岐管 6、活塞冷却喷孔
7、凸轮轴轴承孔 8、机油冷却器旁通阀 9、机油滤清器旁通阀
10、机油冷却器 11、机油滤清器 12、涡轮增压器 13、油底壳 14、机油泵
5.检查摇臂轴与摇臂的间隙
此间隙过大会造成大量机油直接流回油底壳,使机油压力降低。可打开气门室罩盖,启动发动机,察看是否有过多的机油从摇臂架上流出,以判断摇臂轴处有无问题。
6.检查机油油质
若机油中混入其他液体,会因变质而引起黏度降低,从而导致机油压力降低。
先检查机油中有无水分。如果机油中有水,机油会产生乳化现象而呈乳白色。一般应按下述3种情况检查机油中水的来源:首先,检查机油冷却器是否漏水;因为机油的冷却是由冷却水通过热交换方式完成的,热机油在机油冷却器的铜管外侧流动,冷却水在铜管内流动,机油冷却,水温升高,而后流回散热器,因而水完全有可能在机油冷却器处进入机油,导致机油乳化。其次,检查气缸垫是否破裂;因为气缸垫不仅起密封缸压的作用,还有保证水和机油在各自不同系统内循环的功能,如果气缸垫破裂或老化,也可在此处造成机油中进水。再次,检查缸体和缸套有无穴蚀情况;穴蚀的产生往往由于不正确使用冷却液造成,而且长时间才能形成,因而容易被忽视。强调一点:机油中进入冷却水常见于机器长时间停机不工作后,此时机油油面会升高。
再检查机油中有无柴油。从油底壳中取少量机油,滴在一张白纸上,看油是否会渗入白纸,如渗入则证明机油中含柴油,因为柴油的渗透力大于机油。如果有柴油渗入机油中,机油油面会在机器长时间工作时持续升高。
最后检查机油黏度级别与机器所处的环境是否相适应(尤其在低温环境下更应引起注意)。使用不正确黏度级别的机油会造成启动困难,影响机油压力。
7.检查机油冷却器
机油冷却器堵塞往往不易被发现,若机油冷却器部分被堵塞,会造成节流现象,使进入主油道的机油量减少,冷却效果不好,此时会引起系统中的机油温度升高、机油黏度降低,造成机油压力低。
8.检查机油泵
检查机油泵吸油网是否被堵塞、机油泵齿轮及壳体端面有无磨损、机油泵旁通阀是否正常。如果机油泵旁通阀弹簧变软,将造成机油在进入主油道之前泄漏。机油泵是整台发动机的润滑动力源头,机油泵性能的好坏直接影响机油压力。
9.检查活塞冷却喷孔或冷却喷嘴
一旦冷却喷孔或冷却喷嘴堵塞,活塞无法得到及时冷却,可造成拉缸。如果喷嘴脱落,即活塞同样不能得到冷却,大量主油道的机油将直接泄入油底壳,从而造成机油压力降低。
10.检查发动机凸轮轴的轴承间隙和怠速齿轮的轴承间隙
如果这两处轴承间隙过大,也可造成大量机油泄漏,引发主油道油压降低。
11.检查曲轴的主轴颈与主轴承、连杆轴颈与连杆轴承的间隙
如果轴承与轴颈间的间隙过大,压力油会泄漏,导致无法在曲轴与轴承间产生油膜,会造成烧瓦现象。
综上所述,发动机的机油压力正常与否,对发动机正常运转非常重要;机油压力降低的原因也是多方面的,需要根据不同情况具体分析判断。必须强调的是:一旦发生机油压力过低,必须立即停机,从易到难地逐步排除故障,以免发生严重后果。