2025年11月14日
配天机器人2025年11月14日
TE2025年11月14日
西门子2025年11月14日
新时达2025年11月14日
蔡司工业
2025年11月13日
埃尔森
2025年11月10日
BBS
2025年11月07日
劳易测
2025年11月06日
和利时
2025年11月14日
威图
2025年11月14日
TE
2025年11月14日
KUKA
2025年11月14日
先导智能
2025年11月14日
TDK
由于汽车中使用的电子元件数量不断快速增多,我们可以预期电源转换集成电路会面临更多设计挑战:有些器件需要稳定的电压输入、低静态电流和低噪声,而另一些器件则需要为满足LED照明等特定应用的需求而专门定制,所有器件都需要占板面积更小、效率尽可能高。
汽车中每年都在不断增加越来越复杂的电子系统。市场调查公司IC Insights预计,2008年汽车半导体市场将从2005年的125亿美元增长到超过181亿美元。另一家市场调查公司 Strategy Analytics 对这个市场的看法也同样乐观:今天,在汽车总成本中,电子系统成本所占比重超过20%,到2008年这个比重将超过30%。汽车中安装的电子系统包括信息娱乐系统、发动机管理、防撞雷达、卫星无线电设备和电视、免提蜂窝电话以及其它无线连接系统。这些系统过去常常只出现在欧洲“高档”豪华型汽车中,但是现在却正在集成到更多“主流”汽车中,这使得汽车集成电路市场的增长更加快。
增长最明显的领域之一是基于DVD/HDD的信息娱乐系统,这些系统是大多数中高档汽车的标准配置。这类系统于1997年首次推出,2006年全球销量预计将超过 1500万部。这种信息娱乐系统至少包括导航系统、AM/FM收音机和CD播放器,但是现在越来越多的系统增加了具有多个输出的DVD播放器、卫星无线电设备,甚至在某些情况下还增加了卫星电视。这些系统年复年地变得越来越复杂,还增加了面朝后的汽车摄像机、遇险通信系统、蓝牙兼容免提蜂窝电话等选项。
同时,这些系统中的元件数也在增多,而可用空间却在不断缩小。因此,任何实用的散热器都太大,系统无法容纳。这样一来,由于空间限制和工作温度要求,电源转换效率就成了关键因素。在低输出电压和甚至高于几百毫安的中等电流水平,简单使用线性稳压器产生这类系统所用电压都不再可行了,因为产生的热量太多。因此,主要由于热限制,开关稳压器正在取代线性稳压器。开关稳压器的高效率、小占板面积等好处与附带的复杂性和EMI问题相比,还是利大于弊的。
这些复杂的系统需要在可靠和紧凑的布局中有大量电压轨,为这样的系统设计开关电源给电源集成电路设计带来了新的挑战。图1说明了今天的信息娱乐系统的复杂性。

图1:现代信息娱乐系统
典型的信息娱乐系统可能有 8 个或更多不同的电源,如8.5V(在欧洲是 8.5V,在日本是 9.5V)、5V、3.3V、2.5V、1.5V和1.2V。8V用作DVD电机电源,用于旋转盘片,这通常需要高达2A的峰值电流。5V和3.3V电源轨一般用于系统总线,通常都需要提供2A至3A电流。2.5V电源轨用于存储器和I/O,1A至2A电流足够了。1.5V和1.2V电源轨分别用于为CPU和DSP内核供电。这两种电压轨的功率级通常在3W至5W 之间。
除了这些较高电流的应用,也需要较低功率级(低于1W)用于主TFT-LCD显示器(一般为7英寸至10英寸)以及摄像机CCD的偏置。还需要一个5W至10W的功率级用于TFT-LCD显示器的白光LED背光照明。
由于要满足所有这些功率需求,因此在大多数信息娱乐系统中可以发现多种开关稳压器。在比较有利的电气环境中,可使用便携产品所用的开关稳压器。不过,有些电源集成电路面对的是苛刻得多的电气环境,这带来了很大的设计挑战。例如,无论何时,只要电源轨直接产生于电池/充电系统,就要求宽输入电压范围来满足电压摆幅极大的要求。如果特定系统需要保持“始终接通”状态,那么最重要的是要具有最低静态电流。类似地,开关频率接近AM/RF/GPS电路频率的开关稳压器集成电路一定不要对这些频带产生干扰。用于TFT-LCD背光照明的LED 驱动器集成电路必须具有宽调光范围,以补偿最轻微的环境光线变化。最后,所有 DC/DC 转换器都要尽可能小,以适合紧凑的布局,还要尽可能高的效率,以消除对散热器的需求。
用电池供电
不管信息娱乐系统中有什么样的应用或子系统,电源最初都是来自汽车电池和充电系统。然而,汽车电池或充电系统刚好是电气环境最苛刻的地方。就电源集成电路以及由这些集成电路供电的子系统而言,主要关注两种情况:负载突降和冷车发动。
1.负载突降(60V瞬态保护):
“负载突降”是交流发电机正在给电池充电而电池电缆断接时出现的情况。图 2 显示了由负载突降引起的典型电压瞬态。在交流发电机试图全力充电时突然断接可能产生高达80V的瞬态电压尖峰。交流发电机上的瞬态电压抑制器通常将总线电压箝位在36V到60V之间。不过,交流发电机的下游器件主端DC/DC转换器可能仍然要承受 60V 的瞬态电压尖峰。由于这些转换器和由转换器供电的子系统在这种瞬态事件发生期间和发生以后要正常工作,因此DC/DC转换器能够处理这些高压(60V 至 100VMAX)瞬态是至关重要的。可以在外部实现各种保护电路(通常是瞬态电压抑制器),但是外部电路提高了成本,而且需要占用宝贵的空间。凌特公司的几款高压开关稳压器,如LT3433、LT3434/5、LT1976/7和LT3437/8,能够承受高达80V的瞬态电压,同时保持输出稳压,不对系统性能或可靠性造成影响。一般情况下,这些稳压器是降压型或降压-升压型的,可经受由充电/电池系统中断引起的汽车电池和交流发电机的电压改变。

图2:负载突降和冷车发动的输入/输出电压随时间的变化
总之:负载突降瞬态是由正在充电的电池意外断接引起的电压尖峰;负载突降瞬态规格为36V至80V,但是取决于具体使用的是哪一代电源以及所用的控制方法;如果不加抑制,负载突降瞬态能损坏电源总线上的很多电子元件。
2.冷车发动(4.5V至超过60V的输入瞬态):
“冷车发动”是汽车发动机在寒冷或冰冻温度下度过一段时间后发生的情况。这时机油变得非常黏稠,需要发动机启动器提供更大的扭转力,而这又需要电池提供更大的电流。这种大电流负载能在启动时将电池/主端总线电压拉低至 4V,之后,电压一般会返回到标称的13.8V。图2用图形表述了在冷车发动时电压随时间变化的情况。问题是,某些子系统在整个冷车发动过程中需要非常恒定的稳定输出。这些应用一般用 3.3V 电压工作,包括发动机控制单元(ECU)以及对汽车安全和可靠工作至关重要的环境和应急系统等。
任何直接连接到电池上的开关稳压器都需要规定在3至60V的宽输入电压范围内工作,以确保满足冷车发动和负载突降情况的要求。此外,60V额定值为14V系统提供了极好的裕度,这些系统常常箝位到36V至40V的范围。满足上述要求的器件包括LT3430和LT3431,这两款器件适用于需要高达2.5A 输出电流的应用,以及满足1.25A电流要求的LT1766和LT1767。
始终接通系统
典型的信息娱乐系统都有需要始终工作的子系统:如GPS接收器、IR系统和系统微处理器。由于汽车点火装置有时是断开的,这些子系统必须直接连接到电池,以低功率模式工作。这要求静态电流最低,而且要求这些子系统能够承受点火装置接通时电池和充电系统的电压变化。再加上汽车中的其他电源系统,因此对电池的要求越来越高了,即使在点火装置断开时也是这样。总体上,需要几百毫安的电源电流来维持始终接通处理器所需的电压,这可能在几周之内就能完全耗尽电池的电量。为了更好地满足这些需求,一些汽车制造商寻求每个“始终接通”DC/DC转换器达到100uA的最大静态电流“目标”。

图3:LT3437用于汽车应用的原理图和电源电流
不过,直到最近,就转换器而言,高输入电压和低静态电流都是互不相容的参数要求。凌特公司的高压(60V至80V)100uA降压型DC/DC转换器系列是第一种同时满足上述两种要求的器件。这个系列器件的最大输入电压范围为60V至80V,输出电流范围为450mA(LT3437)至2.5A(LT3434),静态电流都低于100uA。
图3是LT3437的原理图和合成电源电流。该器件以4.5V至80V的输入电压可以维持3.3V的稳定输出电压,同时具有超过80%的效率。它采用有引线耐热增强型 TSSOP-16封装或3mm ×3mm 纤巧无引线 DFN 封装。这两种封装都具有非常高的热效率,θJC仅为10℃/W,无需任何外部散热器。LT3437 采用独特的突发模式设计,能够用仅为100uA的电源电流工作,非常适用于始终接通应用。LT3434和LT1976等类似器件也可用于电流较高的应用,如分别适用于输出电流为2.5A和1.25A的应用。
再转换的电源轨
不管电源是3.3V还是5V,在进入信息系统之后都可以直接驱动很多系统内部电路,因为很多电路都可以用2.7V至5.5V的电压工作。不过,有几种电路需要比最初的电压轨更高或更低的电压。最明显的是CD/DVD驱动器电机,它需要8.5V电压。有些CPU和DSP需要1.2V至1.5V的电压,面朝后摄像机的CCD需要偏置电压(15V和-8V),TFT-LCD显示器既需要偏置电压(8V、15V和-8V)也需要白光 LED照明(高达36V)。庆幸的是,一般情况下,对电池的主电源转换已经起到了保护这些电压轨免受瞬态和过压变化影响的作用,因此在这些再转换的电源就无需保护了。不过最大限度地降低开关噪声成了最重要的事情,因为很多电源转换都是在靠近噪声敏感的AM、RF或GPS接收器的地方进行的。只要开关行为是可预测的,这些潜在的噪声和 EMI在很多敏感应用中就都是可管理的,这一点已经得到证实。如果开关稳压器在正常工作模式下以恒定频率开关,而且切换边沿是干净和可预测的,没有过冲或高频振铃,那么EMI就得到了最大限度的降低。此外,如果稳压器可以采用低ESR陶瓷电容器,那么输入和输出电压纹波可以最大限度地降低,而这种纹波是系统中的潜在噪声源。
驱动DVD/CD的电动机
驱动DVD/CD的电机在8.5V时需要高达2A的电流,以转动CD/DVD盘片。由于这种在8.5V时相对高的负载,一般直接由电池供电,将电池电压降低至8.5V。与从较低电压轨升压到8.5V相比,这个解决方案实现了较高的效率。直接用电池供电要求转换器具有稳定的输入电压能力,以保护电动机驱动器免受高压瞬态影响。凌特公司的 LT3430 既可以为这种应用提供瞬态保护又可以提供所需的输出电流。该器件具有高达 90% 的效率,采用耐热增强型TSSOP-16 封装,热耗散很低,同时解决方案占板面积也很小。
微处理器和存储器电源
任何信息娱乐系统中都有一些微处理器。它们的内核都需要1.2V至2.5V的电源,而它们的存储器和I/O都需要2.5V或3.0V电压,因此需要对5V主电源或3.3V中间电压轨降压。效率是最重要的,因为这些子系统非常紧凑,没有多余的地方放置散热器。LTC3407-2就是一种满足上述要求的稳压器。其同步整流拓扑提供高达 96%的效率,同时其恒定开关频率为2.25MHz,保持噪声在相邻音频接收器的敏感 AM频带之外。
TFT-LCD平板和CCD偏置
TFT平板(对角线为6英寸至10英寸)除了大约8V的中间电压(通常称为 AVDD)需要高达450mA的电流,一般需要较低的偏置电源,如 16V/10mA和8V/10mA。凌特公司的LT1935是一个理想的选择。LT1935的效率高达80%,ThinSOT封装保持解决方案占板面积最小。面朝后摄像机的CCD也需要某些类型的偏置电源,一般需要的是15V/20mA 和-8V/50mA。凌特公司的LT3472是低噪声、恒定频率(1.1MHz)的双输出升压/负输出型集成电路,可用2.2V至16V的输入工作,提供所需的CCD偏置电压。其3mm×3mm DFN封装最大限度地缩小了解决方案占板面积,同时具有卓越的热性能。
TFT-LCD白光LED背光照明
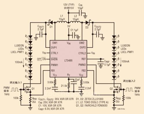
除了偏置电压,TFT-LCD显示器还需要背光照明以便观看。传统上,背光照明一直是采用CCFL实现的。但是,由于白光LED的尺寸更小,可靠性更高,因此在背光照明应用中迅速取代了CCFL。由于汽车内部光线变化和人眼对光强微小变化的敏感性,要求这些显示器的背光照明有高达1000:1的宽调光范围。凌特公司的 LT3486(参见图 4)可以解决这一问题。该器件是一种双输出降压型DC/DC转换器,专门设计成用12V输入电压驱动多达16个100mA的白光LED(每通道8个LED串联)。它用作恒定电流源,保持LED的亮度恒定,甚至每个LED的正向电压不同时也一样。LT3486是第一个采用“真正彩色 PWM(True Color PWM)调光”的LED驱动器,向LED提供了恒定电流,保持LED以恒定颜色发光。调光通过降低PWM驱动器的占空比控制。正像从图4中可以看到的那样,就大多数所需调光范围而言,该器件的效率在80%到90%之间。其耐热增强型TSSOP-16封装体积很小,热效率很高。

图4:LT3486 汽车 TFT-LCD 背光照明原理图和效率
本文总结
随着汽车中使用的电子元件数量不断快速增多,我们可以预期,电源转换集成电路会面临更多设计挑战。有些器件需要稳定的电压输入、低静态电流和低噪声,而另一些集成电路则需要为满足LED照明等特定应用的需求而专门定制。所有器件都需要占板面积更小,效率尽可能最高。凌特公司已经认识到这种发展趋势,并已经开发出使汽车中电子产品能够加速增多的电源集成电路。