2025年11月14日
配天机器人2025年11月14日
TE2025年11月14日
西门子2025年11月14日
新时达2025年11月14日
蔡司工业
2025年11月13日
埃尔森
2025年11月10日
BBS
2025年11月07日
劳易测
2025年11月06日
和利时
2025年11月14日
威图
2025年11月14日
TE
2025年11月14日
KUKA
2025年11月14日
先导智能
2025年11月14日
TDK
一、刀具装夹与刃磨
车刀安装情况的好坏直接影响到被加工零件的尺寸精度和表面粗糙度,如果我们不注意车刀的正确安装,就会降低切削效果,甚至损坏刀具和工件。
1.车刀装夹的基本要求
(1)车刀不能伸出刀架太长,在满足车削的情况下,尽可能伸出短些。因为车刀伸出过长,刀杆刚性相对减弱,容易产生振动,使车出的工件表面光洁度差。一般车刀伸出的长度不超过刀杆厚度的2倍。切槽刀车刀伸出的长度比槽深多2~3mm。 切断刀车刀伸出的长度比工件壁厚多2~3mm。
(2)车刀刀尖应对准工件的中心。车刀安装得过高或过低都会引起车刀角度的变化而影响正常切削。
(3)车刀刀杆应与车床主轴轴线垂直 。
(4)装车刀用的垫片要平整,尽可能地用厚垫片以减少片数,一般只用2~3片。如垫刀片的片数太多或不平整,会使车刀产生振动,影响切削。各垫片应垫在在刀杆正下方,前端与刀座边缘齐。
(5)装上车刀后,要紧固刀架螺钉,一般要紧固两个螺钉。紧固时,应使用专用扳手轮换逐个拧紧。不用加力杆,以免使螺钉受力过大而损伤。
为提高车削工作效率,刃磨车刀时充分考虑刀具各刃的综合应用,车刀安装在刀架上,在不转动或少转动刀架的情况下完成尽量多的工作。下面介绍几种批量生产时车刀的装夹方法。
2.车刀的装夹方法
(1)如图1所示,工件需要车外圆、车端面、倒角,如果只用一把车刀需要转动刀架。

若把车刀前面磨成如图2所示,在不转动刀架的情况下就可以完成车外圆、车端面、倒角工作。
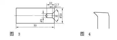
(2)如图3所示,工件需钻孔、孔口倒角。
一般情况下需要麻花钻、外圆车刀、孔口倒角用车刀、450偏刀(或将外圆车刀偏转车端面)

若将车刀前面磨成如图4,车端面时,从工件外圆车至工件中心,在工件中心处纵向移动2.7mm,然后中滑板退刀进行孔口倒角至要求,从而减少刀具装夹,减少工作程序,提高效率。
(3)如图5所示,轴上切槽、槽的两端倒角。
一般情况下需要切槽刀,并且需要偏转刀架倒角,而左端的倒角很容易碰到卡盘,极不安全。若将切槽刀左右刃分别刃磨来符合倒角要求(如图6的车刀前面图),不需要偏转刀架即可完成切槽、倒角的工作。

(4)如图7所示,工件需要车外圆、车端面、切槽、倒角、倒圆。
将车刀前面刃磨成如图8所示,不转动刀架的情况下一次完成所有操作。AD刃车外圆,AB刃起修光作用。AB刃切端面接近中心时DE刃倒圆。AB刃切槽时,BC刃倒角。

(5)如图9所示,对管材孔口倒角和端面倒角。
可将车刀前面刃磨成如图10所示。车刀装在刀架上,调节固定好中滑板位置。通过小滑板调节轴向倒角的大小。可以只动小滑板完成孔口倒角和端面倒角。

(6)如图11所示的导管。

按照如图12所示下料。备料时两切槽刀装夹于刀架上。右端切槽刀用于切端面、定位。左端切槽刀用于切断。两刀刃切削间距28mm,从而保证中滑板进刀一次完成下料工作。
(7)在普车上下料:将锯片式铣刀装在刀杆上,装夹于自定心卡盘上。
如图13所示,将夹具装夹于刀架上,上孔穿工件并用内六角螺母锁紧,下孔穿限位材料并用内六角螺母锁紧(以便快速确定材料尺寸)。中滑板进刀即可完成下料工作,从而将车床改为简易铣床用。

3.刃磨注意事项
批量生产时机夹车刀不一定满足车削要求,一般要根据图样要求自己刃磨车刀,刃磨时应注意以下几方面:

二、刀具几何角度解析

刀具合理几何参数的选择一直都是切削刀具理论与实践的重要课题。中国有句谚语说:“工欲善其事,必先利其器。”合理的选择刀具几何角度,有利于改善加工条件,节约加工时间,提高了加工效益,保证被加工工件的质量,和延长了刀具的使用寿命,下面我们就来看看刀具不同几何角度的选取原则有哪些,以便我们在以后的实践中正确的选择和使用刀具。
在车削加工中,我们经常用到的刀具几何参数有五种,分别为前角γo、后角αo、刃倾角λs、主偏角kr,以及副偏角k ’ r,其定义及选择原则如下。

1)前角γo是在正交平面内测量的前刀面与基面间的夹角。前角的正负方向按图示规定表示,即刀具前刀面在基面之下时为正前角,刀具前刀面在基面之上时为负前角。前角一般在-5°~ 25°之间选取。
前角选择的原则:前角的大小主要解决刀头的坚固性与锋利性的矛盾。因此首先要根据加工材料的硬度来选择前角。加工材料的硬度高,前角取小值,反之取大值。其次要根据加工性质来考虑前角的大小,粗加工时前角要取小值,精加工时前角应取大值。
2)后角αo 在正交平面内测量的主后刀面与切削平面间的夹角。后角不能为零度或负值,一般在6°~12°之间选取。
后角选择的原则:首先考虑加工性质。精加工时,后角取大值,粗加工时,后角取小值。其次考虑加工材料的硬度,加工材料硬度高,主后角取小值,以增强刀头的坚固性;反之,后角应取小值。
3)刃倾角λs 在切削平面内测量的主切削刃与基面间的夹角。当主切削刃呈水平时,λs =0°;刀尖为主切刃上最高点时,λs>0°;刀尖为主切削刃上最低点时,λs<0°(如图5所示)。刃倾角一般在-10°~5°之间选取。
刃倾角的选择原则:主要看加工性质,粗加工时,工件对车刀冲击大,λs ≥0°,精加工时,工件对车刀冲击力小,λs ≤0°,一般取λs =0°。
4)主偏角kr在基面内测量的主切削刃在基面上的投影与进给运动方向的夹角。主偏角一般在30°~ 90°之间选取。
主偏角的选用原则:首先考虑车床、夹具和刀具组成的车工工艺系统的刚性,如车工工艺系统刚性好,主偏角应取小值,这样有利于提高车刀使用寿命和改善散热条件及表面粗造度。其次要考虑加工工件的几何形状,当加工台阶时,主偏角应取90°,加工中间切入的工件,主偏角一般取60 °。
5)副偏角在基面内测量的副切削刃在基面上的投影与进给运动反方向的夹角。副偏角一般为正值。
副偏角的选择原则:首先考虑车刀、工件和夹具有足够的刚性,才能减小副偏角;反之,应取大值;其次,考虑加工性质,粗加工时,副偏角可取10°~15°,粗加工时,副偏角可取5°左右。
无论用于何种加工,刀具都有三个主要角度:前角、切入角和后角。其作用如下:①前角:影响切削力、切削刃强度和切屑流动特性;②切入角:控制切削力的方向,有效减薄切屑,保护切削刃最薄弱的部位;③后角:确保刀具切削时不会与工件发生摩擦。
通过对刀具的这三个角度进行综合优化,可以强化切削刃,同时使工件材料能从切削区自由流出,从而减小切削力,延长刀具寿命。