2025年11月14日
配天机器人2025年11月14日
TE2025年11月14日
西门子2025年11月14日
新时达2025年11月14日
蔡司工业
2025年11月13日
埃尔森
2025年11月10日
BBS
2025年11月07日
劳易测
2025年11月06日
和利时
2025年11月14日
威图
2025年11月14日
TE
2025年11月14日
KUKA
2025年11月14日
先导智能
2025年11月14日
TDK
此项操作法用于某杯形超薄零件加工。具体涉及加工该零件的工艺路线、夹具设计、刀具选择等技术。该加工方法适用于高精度薄壁杯形零件的加工,在同行业的机械加工中具有先进水平。
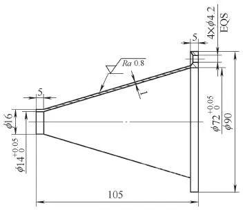
操作法内容:某超薄杯形件为超薄1Cr18Ni9Ti不锈钢零件,零件结构如图1所示。该零件结构类似于漏斗,大端孔径φ72图片mm,小端直径为φ14图片mm,壁厚1mm,中间是16°锥度过渡连接,是典型的薄壁杯形零件。该杯形件壁厚薄,表面粗糙度值要求Ra=0.8μm。该材料机械加工性能差,有以下几个原因:
(1)在温度达到70℃时,仍不能降低其力学性能,所以切屑不易被切离,切削力大,刀具易磨损。
(2)塑性和韧性高,虽然抗拉强度和硬度都不高,但综合性能很好,其伸长率达到40%,是20Cr、40Cr钢的4~5倍。切屑不易被切离,切削变形所消耗的能量增多,大部分能量转化为热能,使切削温度升高。导热率低,散热差,大部分热量被刀具吸收,致使刀具的温度升高,加剧刀具磨损。
(3)在高温度和强压力下,刀具产生积屑瘤,使加工条件变差,影响了加工效率、加工成本、加工精度及表面质量。

图1 零件
特色点:零件内孔直径φ72mm,壁厚只有1mm,由于零件壁厚薄,加工该零件变形大。基于这些因素,在内孔和外形精加工时,采用与工件内孔、外形形状一致,间隙0.01~0.03mm的仿形夹具如图1、图2所示,利用工件上的4×φ4.2mm均布孔,用螺钉轴向压紧工件,选用锋利刀具,充分冷却,合理的切削用量,保证工件加工达到图样的技术要求。
该工艺路线的特点为:改变传统的夹紧方式,用轴向顶紧方式代替径向夹紧方式,消除径向夹紧力,减少因夹紧力、切削力、切削热引起的工件变形。
(1)卧式车床:车平端面,车外圆φ94mm,长106mm。
(2)卧式车床:调头,车总长105mm,钻通孔φ12.5mm,根据锥度尺寸,钻台阶孔,并用成形锥度钻头扩孔。
(3)数控粗车内孔:内径留余量2mm,保证加工各件尺寸一致。
(4)数控粗车外形:外径留余量2mm,保证加工各件尺寸一致,控制台阶尺寸5mm。
(5)钳工:钻,3×φ4.2mm均布。
(6)数控精车内形(见图2): 保证各部尺寸。

图2车内形装夹结构示意
(7)数控精车外形(见图3): 保证各部尺寸。夹具体与零件内形可以有0.01~0.03mm间隙。

图3 车外形装夹结构示意