2025年11月14日
配天机器人2025年11月14日
TE2025年11月14日
西门子2025年11月14日
新时达2025年11月14日
蔡司工业
2025年11月13日
埃尔森
2025年11月10日
BBS
2025年11月07日
劳易测
2025年11月06日
和利时
2025年11月14日
威图
2025年11月14日
TE
2025年11月14日
KUKA
2025年11月14日
先导智能
2025年11月14日
TDK
通过分析工艺方案,设计专用夹具与数控车床结合应用,代替了原来的铣削加工,不仅提高了加工效率,而且加工质量稳定。
1 序言
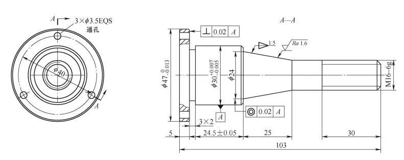
在校企合作过程中,我校实习工厂接到企业要求加工的一批零件(见图1)订单。要求在工件的两翼,加工出两个圆弧表面,两圆弧表面相对于工件轴心线旋转180°,完全相同,圆弧R80mm的公差为0.057mm。工件材料为45钢,调质处理,月产量为3000件。

a)平面图 
b)三维图
图1 零件
最初制定的工艺路线:粗、精车削各外圆、台阶倒角及内孔、内锥→用钻模钻出两个φ11mm通孔→线切割加工内键槽→线切割加工R3mm圆弧及两直角面→数控铣床加工R80mm圆弧。
在数控铣床上加工R80mm圆弧,原来设计的简易工装采用锥度为1∶5的锥形心轴和菱形销定位。工件只能单个加工,虽然加工精度可以满足设计要求,但加工效率低,加工成本高,且不能充分发挥数控铣床的高效优势。
加工一批零件后,我们决定对加工方案进行重新设计,寻求在数控车床上加工R80mm圆弧的可行性,以车代铣,提高生产效率,降低生产成本,最大限度地扩展机床的使用范围。
2 工件的加工工艺与专用夹具设计
根据零件的结构特点重新进行了工艺分析。R80mm圆弧是规则圆弧,只要能找到圆心并和车床的旋转中心重合,就可以用车床加工。与铣削相比,生产效率会有大幅度提高,于是我们设计了在经济型数控车床上使用且能同时装夹多个零件的夹具,如图2所示。

a)平面图 
b)三维图
图2 夹具
2.1 应用新工装后工件的加工工艺
1)在数控车床上粗、精车削各外圆台阶倒角及内孔、内锥孔。
2 )在钻床上用钻模定位钻出平面上的两个φ11H8通孔(为了定位需要适当提高孔的加工精度)。
3)内锥面上的键槽采用线切割加工。首先,切割内锥面零件前,试切一个相同高度的凸模零件,记录当前ZSD\ZID\Z0值;其次测量试件的实际角度与实际尺寸,并计算修正值;最后再切割锥度件,得到的测量尺寸与角度值都比较精确,达到设计要求。
4)数控线切割加工R3mm圆弧及两直角面。
5)在数控车床上用新设计的专用夹具,以1∶5内锥孔为定位基准(由于定位基准进行了转换,所以在前面工序加工中要保证锥孔与设计基准的同轴度),加工R80mm圆弧面。此时,实际上已把R80mm圆弧面的加工转变为车削φ160mm的孔。
2.2 夹具的结构及工作原理
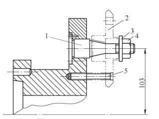
夹具主要包括夹具体、锥形心轴、菱形销及压紧元件[1]。安装后让工件R80mm圆弧面分布在以车床主轴回转中心为圆心、以80mm为半径的圆周上,如图3、图4所示。

图3 工件装夹
1—锥形心轴 2—工件 3—垫圈 4—螺母 5—菱形销
图4 工件装夹布局
在夹具体直径为160mm的圆周上,根据工件的尺寸尽量多地安装定位心轴和菱形销,力争做到工件既不相互干涉,又能充分利用空间。工件上已钻削出的φ11H8孔中的任意一个用作防转动定位,这样多个工件即可同时加工。
3 工件在夹具中的定位分析
工件安装在夹具体上,锥形心轴限制了工件的5个自由度,菱形销限制了1个转动自由度,相当于一面两销定位。工件的6个自由度被完全限制,属于完全定位,定位安全可靠[1,2],如图5所示。

图5 工件定位
1—锥形心轴 2—工件 3—垫圈 4—螺母 5—菱形销 6—夹具体
4 夹具主要元件
1)夹具体 如图6所示,夹具体与机床连接的法兰尺寸要根据机床主轴端尺寸配制。安装定位心轴的6个孔的圆周尺寸和安装6个菱形销的孔的位置,要根据加工圆弧的半径尺寸和位置要求精确计算后确定[1,2]。

夹具体
2)锥形心轴 如图7所示。

图7 锥形心轴
3)菱形销 如图8所示,菱形销与工件定位孔采用小间隙配合,既要保证安装方便,又要限制工件有尽量小的转动量。菱形销与夹具体的装配采用φ10H7/n6的过盈配合,保证菱形销牢固地固定在夹具体上。需要注意的是,菱形销在夹具体上安装时,菱形销的窄面应垂直于菱形销中心和工件锥形孔中心连线。

图8 菱形销
5 夹具的使用方法
将夹具安装到机床主轴上并用百分表检验其安装的正确性。
工件在完成相关工序之后,将工件安装到夹具体上,用螺母压紧,然后即可对R80mm圆弧面进行车削加工[3,4]。工艺为:①粗车削工件φ160mm孔,留1mm精加工余量。②精车削工件φ160mm孔至公差要求。
加工完成后,卸下工件,将工件旋转180°重新安装,即可加工工件另一面的R80mm圆弧面。
由于一次同时安装多件加工,减少了刀具空行程,提高了有效切削时间,加工效率明显提高。在数控铣床上使用高速钢刀具加工,在数控车床上使用硬质合金刀具加工,由于硬质合金刀具的切削参数比高速钢刀具的切削参数高出很多,所以使用此夹具既提高了切削效率,又降低了刀具成本,综合经济效益显著提升。
6 结束语
在机械零件设计中,经常采用圆弧表面,而圆弧表面的加工工艺是多种多样的,要根据圆弧曲率、材质和技术要求,采取不同的加工工艺。因为加工工艺的不同必然会产生不同的加工效果,所以工艺人员在编制加工工艺时,要对多种工艺方案进行充分论证。传统的工艺肯定是可行的,但随着科技的进步,新设备、新刀具材料的大量涌现,工艺设计人员也要与时俱进,突破传统工艺,采纳最优方案,实现经济效益最大化。通过本文实践证明,使用经济性数控车床,配上合理的工艺装备,实现以车代铣、多件同时加工是完全可能的。
本夹具结构简单,制造方便,并具有一定的通用性,对于特殊零件上的圆弧要素加工,具有一定的借鉴意义。
参考文献:
[1] 肖继德. 机床夹具设计[M]. 北京:机械工业出版社,2002.
[2] 杨黎明. 机械原理及机械零件[M]. 北京:高等教育出版社,1982.
[3] 曹作人. 车工技师手册[M]. 北京:宇航出版社,1991.
[4] 大连机床厂. CD6140普通车床使用说明书[Z]. 1982.
本文发表于《金属加工(冷加工)》2022年第9期第47~50页,作者:韶关市技师学院林镇水、张彩珠,原标题:《数控车床同时加工多个零件的工装设计》。